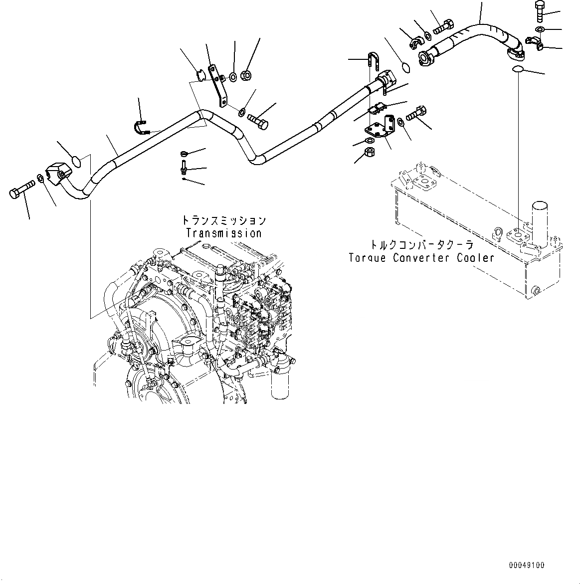
Запчасти Komatsu WA500-6 ГИДРОТРАНСФОРМАТОР И ТРАНСМИССИЯ МАСЛОПРОВОДЯЩАЯ ЛИНИЯ, ГИДРОТРАНСФОРМАТОР ЛИНИЯ ОХЛАЖДЕНИЯ (/) (№79-) ГИДРОТРАНСФОРМАТОР И ТРАНСМИССИЯ МАСЛОПРОВОДЯЩАЯ ЛИНИЯ, С ТОРМОЗ. МАСЛ. СИСТЕМА ОХЛАЖДЕНИЯ

Схема запчастей Komatsu WA500-6 - ГИДРОТРАНСФОРМАТОР И ТРАНСМИССИЯ МАСЛОПРОВОДЯЩАЯ ЛИНИЯ, ГИДРОТРАНСФОРМАТОР ЛИНИЯ ОХЛАЖДЕНИЯ (/) (№79-) ГИДРОТРАНСФОРМАТОР И ТРАНСМИССИЯ МАСЛОПРОВОДЯЩАЯ ЛИНИЯ, С ТОРМОЗ. МАСЛ. СИСТЕМА ОХЛАЖДЕНИЯ
17
18
1
2
3
4
5
6
7
9
10
11
14
15
16
17
18
8
20
21
22
23
24
25
26
27
28
29
30
19
12
13
FIT
1:1
100%

Артикул

Название

Примечание

Количество

1

07297-012A6

Hose, Flange Type

SN: 55479-UP

1шт.

2

07000-A3038

O-ring

SN: 55479-UP

1шт.

3

07371-31255

Flange, Split

SN: 55479-UP

2шт.

4

07372-21035

Bolt

SN: 55479-UP

4шт.

5

01643-51032

Washer

SN: 55479-UP

4шт.

6

07000-A3038

O-ring

SN: 55479-UP

1шт.

7

07372-21035

Bolt

SN: 55479-UP

4шт.

8

01643-51032

Washer

SN: 55479-UP

4шт.

9

07371-31255

Flange, Split

SN: 55479-UP

2шт.

10

425-16-31391

Tube

SN: 55479-UP

1шт.

11

07000-A3045

O-ring

SN: 55479-UP

1шт.

12

01010-81260

Bolt

SN: 55479-UP

2шт.

13

01643-31232

Washer

SN: 55479-UP

2шт.

14

425-16-31411

Plate

SN: 55479-UP

1шт.

15

01010-81020

Bolt

SN: 55479-UP

2шт.

16

01643-31032

Washer

SN: 55479-UP

2шт.

17

07283-53444

Seat

SN: 55479-UP

2шт.

18

07283-33450

Clip

SN: 55479-UP

2шт.

19

01643-31032

Washer

SN: 55479-UP

4шт.

20

01597-01009

Nut

SN: 55479-UP

4шт.

21

07283-53444

Seat

SN: 55479-UP

1шт.

22

07283-33450

Clip

SN: 55479-UP

1шт.

23

01643-31032

Washer

SN: 55479-UP

2шт.

24

01597-01009

Nut

SN: 55479-UP

2шт.

25

425-16-31493

Bracket

SN: 55479-UP

1шт.

26

01010-81025

Bolt

SN: 55479-UP

1шт.

27

01643-31032

Washer

SN: 55479-UP

1шт.

28

425-60-35410

Tube

SN: 55479-UP

1шт.

29

07002-61423

O-ring

SN: 55479-UP

1шт.

30

11Y-09-11140

Clip

SN: 55479-UP

1шт.

Выбрано товаров: 0