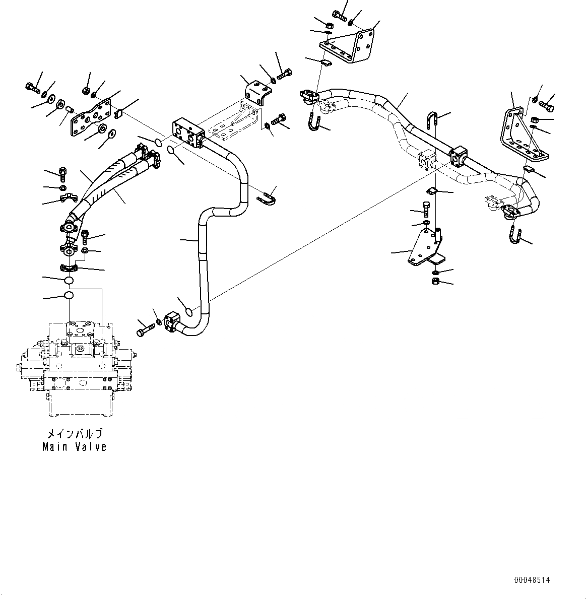
Запчасти Komatsu WA500-6 ГИДРОЛИНИЯ, ГИДРОЦИЛИНДР ПОДЪЕМА ТРУБЫ (/) (№79-) ГИДРОЛИНИЯ, С 2-Х СЕКЦИОНН. УПРАВЛЯЮЩ. КЛАПАН

Схема запчастей Komatsu WA500-6 - ГИДРОЛИНИЯ, ГИДРОЦИЛИНДР ПОДЪЕМА ТРУБЫ (/) (№79-) ГИДРОЛИНИЯ, С 2-Х СЕКЦИОНН. УПРАВЛЯЮЩ. КЛАПАН
26
23
24
19
24
24
25
26
23
26
25
29
28
27
25
23
1
2
3
4
5
6
7
8
2
9
11
12
13
14
15
16
17
18
19
20
21
22
23
24
25
26
27
28
29
30
31
32
33
34
35
35
34
10
7
FIT
1:1
100%

Артикул

Название

Примечание

Количество

1

425-62-33331

Hose

SN: 55479-UP

1шт.

2

07000-B3032

O-ring

SN: 55479-UP

2шт.

3

07371-31049

Flange, Split

SN: 55479-UP

4шт.

4

07372-21035

Bolt

SN: 55479-UP

8шт.

5

01643-51032

Washer

SN: 55479-UP

8шт.

6

425-62-33341

Hose

SN: 55479-UP

1шт.

7

07000-B3032

O-ring

SN: 55479-UP

2шт.

8

07371-31049

Flange, Split

SN: 55479-UP

4шт.

9

07372-21035

Bolt

SN: 55479-UP

8шт.

10

01643-51032

Washer

SN: 55479-UP

8шт.

11

425-62-33321

Tube

SN: 55479-UP

1шт.

12

07000-B3035

O-ring

SN: 55479-UP

1шт.

13

01010-81065

Bolt

SN: 55479-UP

4шт.

14

01643-31032

Washer

SN: 55479-UP

4шт.

15

425-62-33311

Tube

SN: 55479-UP

1шт.

16

425-62-34151

Plate

SN: 55479-UP

1шт.

17

417-54-12260

Spacer

SN: 55479-UP

2шт.

18

417-62-13620

Cushion

SN: 55479-UP

2шт.

19

419-43-17920

Washer

SN: 55479-UP

4шт.

20

419-43-17930

Cushion

SN: 55479-UP

2шт.

21

01010-81255

Bolt

SN: 55479-UP

2шт.

22

01643-31232

Washer

SN: 55479-UP

2шт.

23

07283-53444

Seat

SN: 55479-UP

7шт.

24

07283-33450

Clip

SN: 55479-UP

7шт.

25

01643-31032

Washer

SN: 55479-UP

14шт.

26

01597-01009

Nut

SN: 55479-UP

14шт.

27

425-62-33961

Bracket

SN: 55479-UP

2шт.

28

01010-D1230

Bolt

SN: 55479-UP

8шт.

29

01643-71232

Washer

SN: 55479-UP

8шт.

30

425-62-34321

Plate

SN: 55479-UP

1шт.

31

01010-81230

Bolt

SN: 55479-UP

2шт.

32

01643-31232

Washer

SN: 55479-UP

2шт.

33

425-62-34111

Bracket

SN: 55479-UP

1шт.

34

01010-D1230

Bolt

SN: 55479-UP

4шт.

35

01643-71232

Washer

SN: 55479-UP

4шт.

Выбрано товаров: 0