Запчасти Komatsu WA500-6 ГИДРОЛИНИЯ, НАСОС ВЕНТИЛЯТОРА - МОТОР ВЕНТИЛЯТОРА ТРУБЫ (№79-) ГИДРОЛИНИЯ, С 2-Х СЕКЦИОНН. УПРАВЛЯЮЩ. КЛАПАН, ТОРМОЗ. МАСЛ. СИСТЕМА ОХЛАЖДЕНИЯ

Схема запчастей Komatsu WA500-6 - ГИДРОЛИНИЯ, НАСОС ВЕНТИЛЯТОРА - МОТОР ВЕНТИЛЯТОРА ТРУБЫ (№79-) ГИДРОЛИНИЯ, С 2-Х СЕКЦИОНН. УПРАВЛЯЮЩ. КЛАПАН, ТОРМОЗ. МАСЛ. СИСТЕМА ОХЛАЖДЕНИЯ
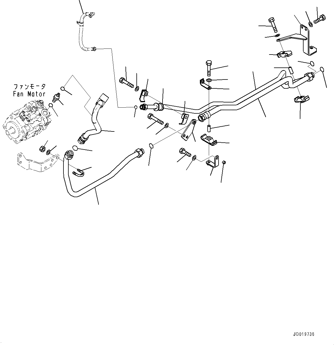
1
2
3
4
5
6
7
8
9
10
11
12
13
14
15
16
17
18
19
20
21
22
23
25
26
27
28
29
30
31
32
33
34
35
36
38
37
9
24
2
39
FIT
1:1
100%

Артикул

Название

Примечание

Количество

1

425-62-35230

Tube

SN: 55479-UP

1шт.

2

02896-61018

O-ring

SN: 55479-UP

2шт.

3

425-62-33753

Tube

SN: 55479-UP

1шт.

4

02896-61015

O-ring

SN: 55479-UP

1шт.

5

02896-61012

O-ring

SN: 55479-UP

1шт.

6

425-62-33481

Bracket

SN: 55479-UP

1шт.

7

01010-81295

Bolt

SN: 55479-UP

2шт.

8

01643-31232

Washer

SN: 55479-UP

2шт.

9

07094-10417

Clamp

SN: 55479-UP

2шт.

10

07095-00421

Cushion

SN: 55479-UP

1шт.

11

01010-81065

Bolt

SN: 55479-UP

1шт.

12

01643-31032

Washer

SN: 55479-UP

1шт.

13

425-62-34590

Bracket

SN: 55479-UP

1шт.

14

424-54-14380

Collar

SN: 55479-UP

1шт.

15

01010-81030

Bolt

SN: 55479-UP

1шт.

16

01643-31032

Washer

SN: 55479-UP

1шт.

17

23S-61-33170

Plate

SN: 55479-UP

2шт.

18

23S-61-13590

Collar

SN: 55479-UP

1шт.

19

417-S62-2460

Plate

SN: 55479-UP

1шт.

20

01010-81065

Bolt

SN: 55479-UP

1шт.

21

01643-31032

Washer

SN: 55479-UP

1шт.

22

425-62-35241

Bracket

SN: 55479-UP

1шт.

23

01010-81020

Bolt

SN: 55479-UP

2шт.

24

01643-31032

Washer

SN: 55479-UP

2шт.

25

23S-61-33170

Plate

SN: 55479-UP

1шт.

26

425-62-35270

Bracket

SN: 55479-UP

1шт.

27

23S-61-13590

Collar

SN: 55479-UP

1шт.

28

01010-81065

Bolt

SN: 55479-UP

1шт.

29

01643-31032

Washer

SN: 55479-UP

1шт.

30

02781-00628

Union

SN: 55479-UP

1шт.

31

07002-62434

O-ring

SN: 55479-UP

1шт.

32

02896-61018

O-ring

SN: 55479-UP

1шт.

33

425-62-35210

Tube

SN: 55479-UP

1шт.

34

02896-61018

O-ring

SN: 55479-UP

1шт.

35

425-62-35221

Tube

SN: 55479-UP

1шт.

36

07283-32738

Clip, Pipe

SN: 55479-UP

1шт.

37

01643-31032

Washer

SN: 55479-UP

2шт.

38

01597-01009

Nut

SN: 55479-UP

2шт.

39

425-62-33451

Hose

SN: UP

-1шт.

|$39

425-62-33451

Hose

SN: UP

-1шт.

|$40

425-62-33451

Hose

SN: UP

-1шт.

|$41

425-62-33451

Hose

SN: UP

-1шт.

Выбрано товаров: 42