Запчасти Komatsu WA500-6 СОЧЛ. СОЕД. БЛОКИР. BAR И РАМА COVER, ПЕРЕДН. КРЫШКА(№79-) СОЧЛ. СОЕД. БЛОКИР. BAR И РАМА COVER, БЕЗ ПРОХОДНОЙ ФИЛЬТР

Схема запчастей Komatsu WA500-6 - СОЧЛ. СОЕД. БЛОКИР. BAR И РАМА COVER, ПЕРЕДН. КРЫШКА(№79-) СОЧЛ. СОЕД. БЛОКИР. BAR И РАМА COVER, БЕЗ ПРОХОДНОЙ ФИЛЬТР
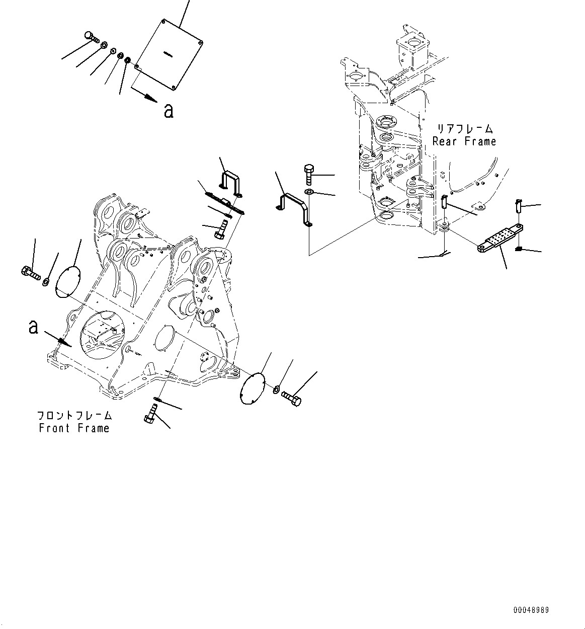
7
8
9
2
3
4
5
1
6
7
8
9
15
14
10
13
12
11
16
17
18
22
20
19
20
21
FIT
1:1
100%

Артикул

Название

Примечание

Количество

1

426-54-34152

Cover

SN: 55479-UP

1шт.

2

01640-22232

Washer, Flat

SN: 55479-UP

4шт.

3

415-46-11380

Rubber

SN: 55479-UP

4шт.

4

421-46-34420

Collar

SN: 55479-UP

4шт.

5

01010-D1235

Bolt

SN: 55479-UP

4шт.

6

01643-71232

Washer

SN: 55479-UP

4шт.

7

425-46-34131

Cover

SN: 55479-UP

2шт.

8

01010-D1225

Bolt

SN: 55479-UP

8шт.

9

01643-71232

Washer

SN: 55479-UP

8шт.

10

425-46-34530

Guard

SN: 55479-UP

1шт.

11

01010-81645

Bolt

SN: 55479-UP

4шт.

12

01643-31645

Washer

SN: 55479-UP

4шт.

13

425-46-34540

Guard

SN: 55479-UP

1шт.

14

01010-81645

Bolt

SN: 55479-UP

4шт.

15

01643-31645

Washer

SN: 55479-UP

4шт.

16

425-46-34181

Guard

SN: 55479-UP

1шт.

17

01010-D1640

Bolt

SN: 55479-UP

2шт.

18

01643-71645

Washer

SN: 55479-UP

2шт.

19

425-46-34142

Bar, Lock

SN: 55479-UP

1шт.

20

425-46-12270

Pin

SN: 55479-UP

2шт.

21

04050-10060

Pin, Cotter

SN: 55479-UP

1шт.

22

421-46-12740

Pin, Linch

SN: 55479-UP

1шт.

Выбрано товаров: 22