Запчасти Komatsu WA500-6 КАБИНА ROPS, ЭЛЕКТРИЧ. ЧАСТИ (№79-) КАБИНА ROPS, MONOCOQUE ТИП, BOTH РАМА ОКНА, С ECSS, КОНДИЦ. ВОЗДУХА, KOMTRAX, ПОГРУЗ. METER, ДЖОЙСТИК СИСТЕМАУПРАВЛЕНИЯ ПОВОРОТОМ

Схема запчастей Komatsu WA500-6 - КАБИНА ROPS, ЭЛЕКТРИЧ. ЧАСТИ (№79-) КАБИНА ROPS, MONOCOQUE ТИП, BOTH РАМА ОКНА, С ECSS, КОНДИЦ. ВОЗДУХА, KOMTRAX, ПОГРУЗ. METER, ДЖОЙСТИК СИСТЕМАУПРАВЛЕНИЯ ПОВОРОТОМ
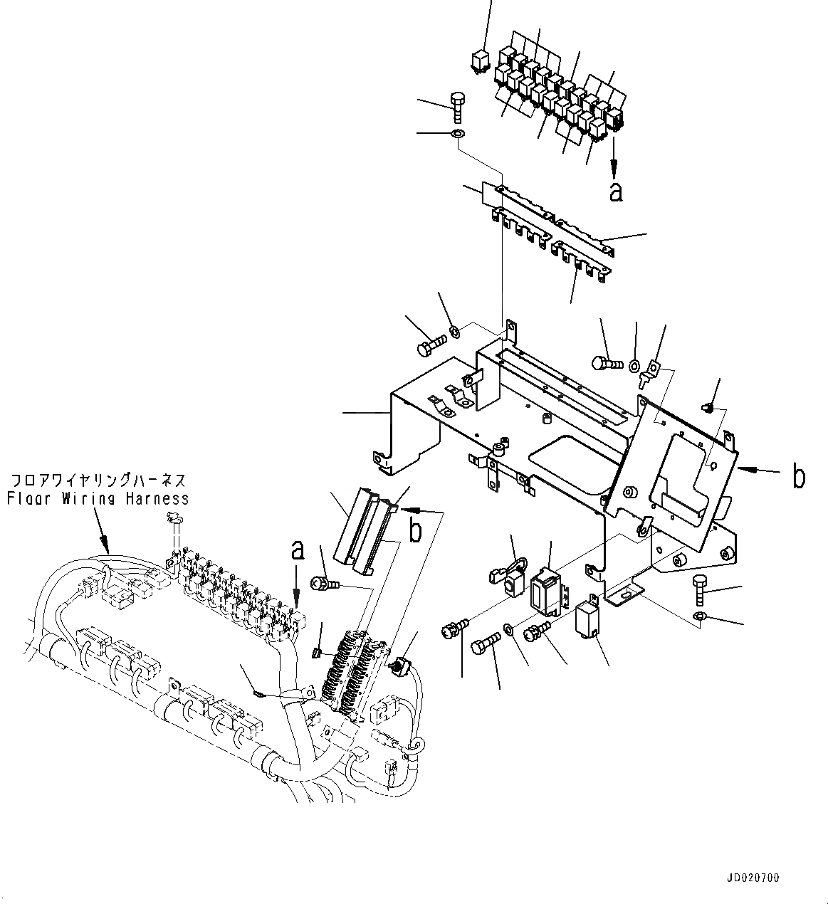
11
9
10
4
20
1
3
2
3
6
6
2
4
4
5
4
4
5
5
12
15
13
14
18
17
16
8
7
6
21
23
19
22
24
25
FIT
1:1
100%

Артикул

Название

Примечание

Количество

1

425-06-31114

Bracket

SN: 55479-UP

1шт.

2

01010-81020

Bolt

SN: 55479-UP

6шт.

3

01643-31032

Washer

SN: 55479-UP

6шт.

4

569-06-61960

Relay

SN: 55479-UP

17шт.

5

569-06-61970

Relay

SN: 55479-UP

3шт.

6

569-06-61180

Bracket

SN: 55479-UP

4шт.

7

01010-80616

Bolt

SN: 55479-UP

4шт.

8

01643-30623

Washer

SN: 55479-UP

4шт.

9

287-06-16420

Bracket

SN: 55479-UP

1шт.

10

01010-80616

Bolt

SN: 55479-UP

1шт.

11

01643-30623

Washer

SN: 55479-UP

1шт.

12

42C-06-16110

Relay

SN: 55479-UP

1шт.

13

01010-80616

Bolt

SN: 55479-UP

1шт.

14

01643-30623

Washer

SN: 55479-UP

1шт.

15

23S-05-35320

Buzzer

SN: 55479-UP

1шт.

16

01023-60412

Screw

SN: 55479-UP

2шт.

17

416-06-22250

Flasher

SN: 55479-UP

1шт.

18

01023-60514

Screw

SN: 55479-UP

1шт.

19

08501-22504

Switch, Toggle

SN: 55479-UP

1шт.

20

08504-10000

Cap

SN: 55479-UP

1шт.

21

08041-00500

Fuse, 5Amp.

SN: 55479-UP

3шт.

21

08041-01000

Fuse, 10Amp.

SN: 55479-UP

10шт.

21

08041-02000

Fuse, 20Amp.

SN: 55479-UP

4шт.

21

08041-03000

Fuse, 30Amp.

SN: 55479-UP

2шт.

22

283-06-16120

Cover, Fuse Box 15Pole

SN: 55479-UP

1шт.

23

08041-01000

Fuse, 10Amp.

SN: 55479-UP

14шт.

23

08041-02000

Fuse, 20Amp.

SN: 55479-UP

5шт.

24

283-06-16120

Cover, Fuse Box 15Pole

SN: 55479-UP

1шт.

25

01023-60620

Screw

SN: 55479-UP

4шт.

Выбрано товаров: 29