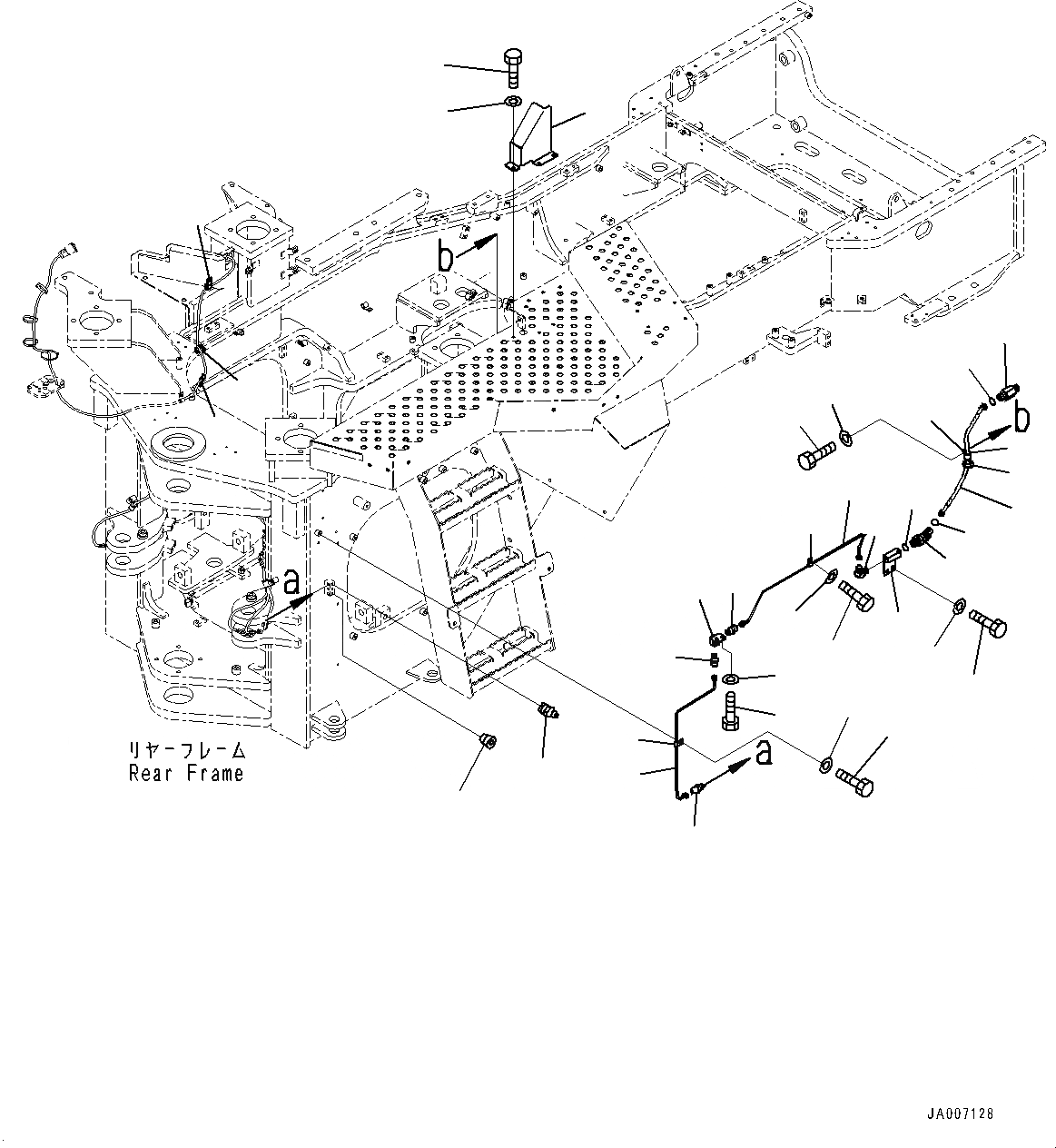
Запчасти Komatsu WA500-6 АВТОМАТИЧ.-СИСТ. СМАЗКИ ТРУБКА, ПОЛ(№79-) АВТОМАТИЧ.-СИСТ. СМАЗКИ ТРУБКА

Схема запчастей Komatsu WA500-6 - АВТОМАТИЧ.-СИСТ. СМАЗКИ ТРУБКА, ПОЛ  (№79-) АВТОМАТИЧ.-СИСТ. СМАЗКИ ТРУБКА
22
7
9
20
12
11
14
29
28
27
26
25
24
23
21
20
19
18
17
16
14
13
10
9
8
7
4
8
15
3
2
1
6
5
30
31
32
FIT
1:1
100%

Артикул

Название

Примечание

Количество

1

04434-50810

Clip

SN: 55479-UP

1шт.

2

04435-51010

Clip

SN: 55479-UP

1шт.

3

08034-20519

Band

SN: 55479-UP

1шт.

4

423-09-12110

Connector

SN: 55479-UP

1шт.

5

07020-00000

Fitting, Grease

SN: 55479-UP

1шт.

6

07043-70108

Plug

SN: 55479-UP

7шт.

7

04434-50610

Clip

SN: 55479-UP

2шт.

8

01010-81020

Bolt

SN: 55479-UP

2шт.

9

01643-31032

Washer

SN: 55479-UP

2шт.

10

425-S95-6861

Block

SN: 55479-UP

1шт.

11

01010-81020

Bolt

SN: 55479-UP

2шт.

12

01643-31032

Washer

SN: 55479-UP

2шт.

13

02782-10210

Elbow

SN: 55479-UP

1шт.

14

02896-11008

O-ring

SN: 55479-UP

2шт.

15

07002-11423

O-ring

SN: 55479-UP

1шт.

16

421-09-12540

Elbow

SN: 55479-UP

1шт.

17

425-S95-6820

Block

SN: 55479-UP

1шт.

18

01010-81020

Bolt

SN: 55479-UP

2шт.

19

01643-31032

Washer

SN: 55479-UP

2шт.

20

423-09-12110

Connector

SN: 55479-UP

2шт.

21

425-S95-6870

Tube

SN: 55479-UP

1шт.

22

425-S95-6840

Tube

SN: 55479-UP

1шт.

23

21W-62-41780

Nipple

SN: 55479-UP

1шт.

24

02764-002A5

Hose, Face Seal Type

SN: 55479-UP

1шт.

25

04434-51710

Clip

SN: 55479-UP

1шт.

26

07095-20211

Cushion

SN: 55479-UP

1шт.

27

01010-81020

Bolt

SN: 55479-UP

1шт.

28

01643-31032

Washer

SN: 55479-UP

1шт.

29

08037-02512

Grommet

SN: 55479-UP

1шт.

30

425-S95-6851

Cover

SN: 55479-UP

1шт.

31

01010-81020

Bolt

SN: 55479-UP

3шт.

32

01643-31032

Washer

SN: 55479-UP

3шт.

Выбрано товаров: 32