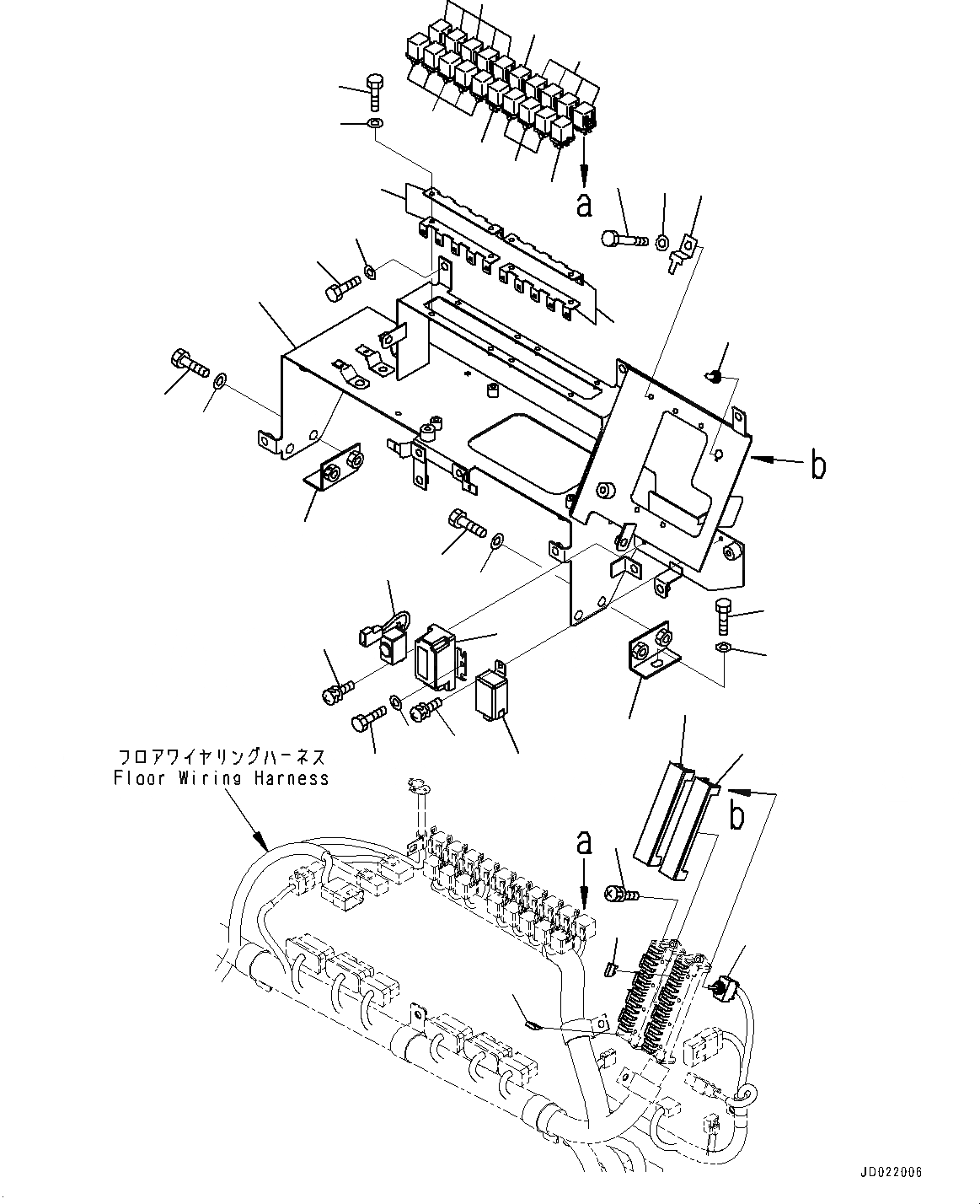
Запчасти Komatsu WA500-6 ПОЛ, ЭЛЕКТРИЧ. ЧАСТИ (№79-) ПОЛ, С КОНДИЦИОНЕРОМ, KOMTRAX

Схема запчастей Komatsu WA500-6 - ПОЛ, ЭЛЕКТРИЧ. ЧАСТИ (№79-) ПОЛ, С КОНДИЦИОНЕРОМ, KOMTRAX
17
15
16
2
5
13
14
4
6
12
12
7
8
9
3
26
18
5
4
1
10
10
11
10
10
11
11
27
29
25
28
30
21
19
20
24
23
22
31
FIT
1:1
100%

Артикул

Название

Примечание

Количество

1

425-06-31130

Bracket

SN: 55479-UP

1шт.

2

425-06-31160

Bracket

SN: 55479-UP

1шт.

3

425-06-31123

Bracket

SN: 55479-UP

1шт.

4

01010-81225

Bolt

SN: 55479-UP

4шт.

5

01643-31232

Washer

SN: 55479-UP

4шт.

6

01010-81020

Bolt

SN: 55479-UP

5шт.

7

01643-31032

Washer

SN: 55479-UP

5шт.

8

01010-81030

Bolt

SN: 55479-UP

2шт.

9

01643-31032

Washer

SN: 55479-UP

2шт.

10

569-06-61960

Relay

SN: 55479-UP

17шт.

11

569-06-61970

Relay

SN: 55479-UP

3шт.

12

569-06-61180

Bracket

SN: 55479-UP

4шт.

13

01010-80616

Bolt

SN: 55479-UP

4шт.

14

01643-30623

Washer

SN: 55479-UP

4шт.

15

287-06-16420

Bracket

SN: 55479-UP

1шт.

16

01010-80616

Bolt

SN: 55479-UP

1шт.

17

01643-30623

Washer

SN: 55479-UP

1шт.

18

42C-06-16110

Relay

SN: 55479-UP

1шт.

19

01010-80616

Bolt

SN: 55479-UP

1шт.

20

01643-30623

Washer

SN: 55479-UP

1шт.

21

23S-05-35320

Buzzer

SN: 55479-UP

1шт.

22

01023-60412

Screw

SN: 55479-UP

2шт.

23

416-06-22250

Flasher

SN: 55479-UP

1шт.

24

01023-60514

Screw

SN: 55479-UP

1шт.

25

08501-22504

Switch, Toggle

SN: 55479-UP

1шт.

26

08504-10000

Cap

SN: 55479-UP

1шт.

27

08041-00500

Fuse, 5Amp.

SN: 55479-UP

3шт.

27

08041-01000

Fuse, 10Amp.

SN: 55479-UP

10шт.

27

08041-02000

Fuse, 20Amp.

SN: 55479-UP

4шт.

27

08041-03000

Fuse, 30Amp.

SN: 55479-UP

2шт.

28

283-06-16120

Cover, Fuse Box 15Pole

SN: 55479-UP

1шт.

29

08041-01000

Fuse, 10Amp.

SN: 55479-UP

14шт.

29

08041-02000

Fuse, 20Amp.

SN: 55479-UP

5шт.

30

283-06-16120

Cover, Fuse Box 15Pole

SN: 55479-UP

1шт.

31

01023-60620

Screw

SN: 55479-UP

4шт.

Выбрано товаров: 35