Запчасти Komatsu WA500-6 KOMTRAX ПРОВОДКА (№79-) KOMTRAX ПРОВОДКА, ДЛЯ CHINA

Схема запчастей Komatsu WA500-6 - KOMTRAX ПРОВОДКА (№79-) KOMTRAX ПРОВОДКА, ДЛЯ CHINA
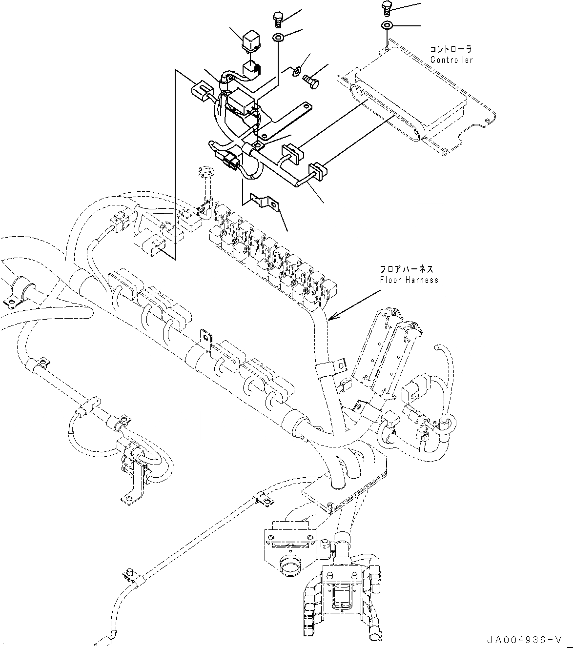
7
6
8
5
8
9
9
1
2
4
3
FIT
1:1
100%

Артикул

Название

Примечание

Количество

1

01010-80816

Bolt

SN: 55479-UP

4шт.

2

01643-30823

Washer

SN: 55479-UP

4шт.

3

425-06-32591

Wiring Harness

SN: 55479-UP

1шт.

4

569-06-61960

Relay

SN: 55479-UP

1шт.

5

04434-51010

Clip

SN: 55479-UP

1шт.

6

04434-51410

Clip

SN: 55479-UP

1шт.

7

08053-01510

Clip

SN: 55479-UP

1шт.

8

01010-81020

Bolt

SN: 55479-UP

2шт.

9

01643-31032

Washer

SN: 55479-UP

2шт.

Выбрано товаров: 9