Запчасти Komatsu WA500-6 ПОЛ ТАБЛИЧКИ (№79-) ПОЛ ТАБЛИЧКИ, ФРАНЦИЯ-АНГЛ.

Схема запчастей Komatsu WA500-6 - ПОЛ ТАБЛИЧКИ (№79-) ПОЛ ТАБЛИЧКИ, ФРАНЦИЯ-АНГЛ.
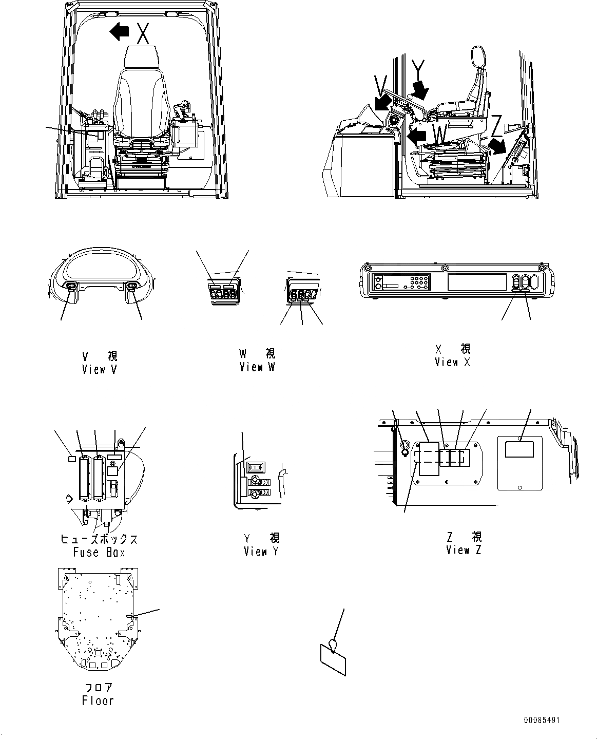
25
21
20
17
18
15
14
13
12
11
10
9
8
7
6
5
4
3
2
1
16
22
24
19
23
FIT
1:1
100%

Артикул

Название

Примечание

Количество

|$0

425-933-4180

Plate

SN: 55479-UP

1шт.

1

Plate, Warning, Before Moving Machine

SN: 55479-UP

1шт.

2

Plate, Relay

SN: 55479-UP

1шт.

3

Plate, Fuse Cover

SN: 55479-UP

1шт.

4

Plate, Fuse Cover

SN: 55479-UP

1шт.

5

Plate, Parking Brake Release

SN: 55479-UP

1шт.

6

Plate, Emergency Parking Brake Release

SN: 55479-UP

1шт.

7

Plate, Warning, Parking Brake Release, Towing

SN: 55479-UP

1шт.

7

425-93-41181

Plate

SN: 55479-UP

1шт.

8

Plate, Shift Pattern

SN: 55479-UP

1шт.

9

Plate, Work Equipment Control Lever Lock

SN: 55479-UP

1шт.

10

09651-A0481

Plate, Warning, Read Manual Before Operating

SN: 55479-UP

1шт.

11

09654-C0481

Plate, Warning, Before Leaving Seat

SN: 55479-UP

1шт.

12

09801-C0481

Plate, Danger, High Voltage Hazard

SN: 55479-UP

1шт.

13

426-933-3210

Plate, DC12V

SN: 55479-UP

1шт.

13

425-933-4210

Plate

SN: 55479-UP

1шт.

14

Plate, Rear Work Lamp

SN: 55479-UP

1шт.

15

Plate, Front Work Lamp

SN: 55479-UP

1шт.

16

Plate, Parking Brake

SN: 55479-UP

1шт.

17

Plate, Glass Heater

SN: 55479-UP

1шт.

18

Plate, Auto Grease

SN: 55479-UP

1шт.

19

Plate, Beacon Lamp

SN: 55479-UP

1шт.

20

Plate, Main Monitor

SN: 55479-UP

1шт.

21

Plate, Load Meter

SN: 55479-UP

1шт.

22

Plate, E.C.S.S.

SN: 55479-UP

1шт.

23

426-933-3270

Plate

SN: 55479-UP

1шт.

24

09963-A1640

Tag, Danger, Do Not Operate

SN: 55479-UP

1шт.

25

425-933-4230

Plate, Start Neutral Hold

SN: 55479-UP

1шт.

Выбрано товаров: 28