Запчасти Komatsu WA500-6 ГИДРОТРАНСФОРМАТОР И ТРАНСМИССИЯ, ОСНОВН. ПОТОК КЛАПАН СЕЛЕКТОРА (№79-) ГИДРОТРАНСФОРМАТОР И ТРАНСМИССИЯ, БЛОКИР.UP ТИП, БЕЗ ЭКСТРЕНН. РУЛЕВ. УПРАВЛЕНИЕ, АВТОМАТИЧ. УПРАВЛ-Е ТИП

Схема запчастей Komatsu WA500-6 - ГИДРОТРАНСФОРМАТОР И ТРАНСМИССИЯ, ОСНОВН. ПОТОК КЛАПАН СЕЛЕКТОРА (№79-) ГИДРОТРАНСФОРМАТОР И ТРАНСМИССИЯ, БЛОКИР.UP ТИП, БЕЗ ЭКСТРЕНН. РУЛЕВ. УПРАВЛЕНИЕ, АВТОМАТИЧ. УПРАВЛ-Е ТИП
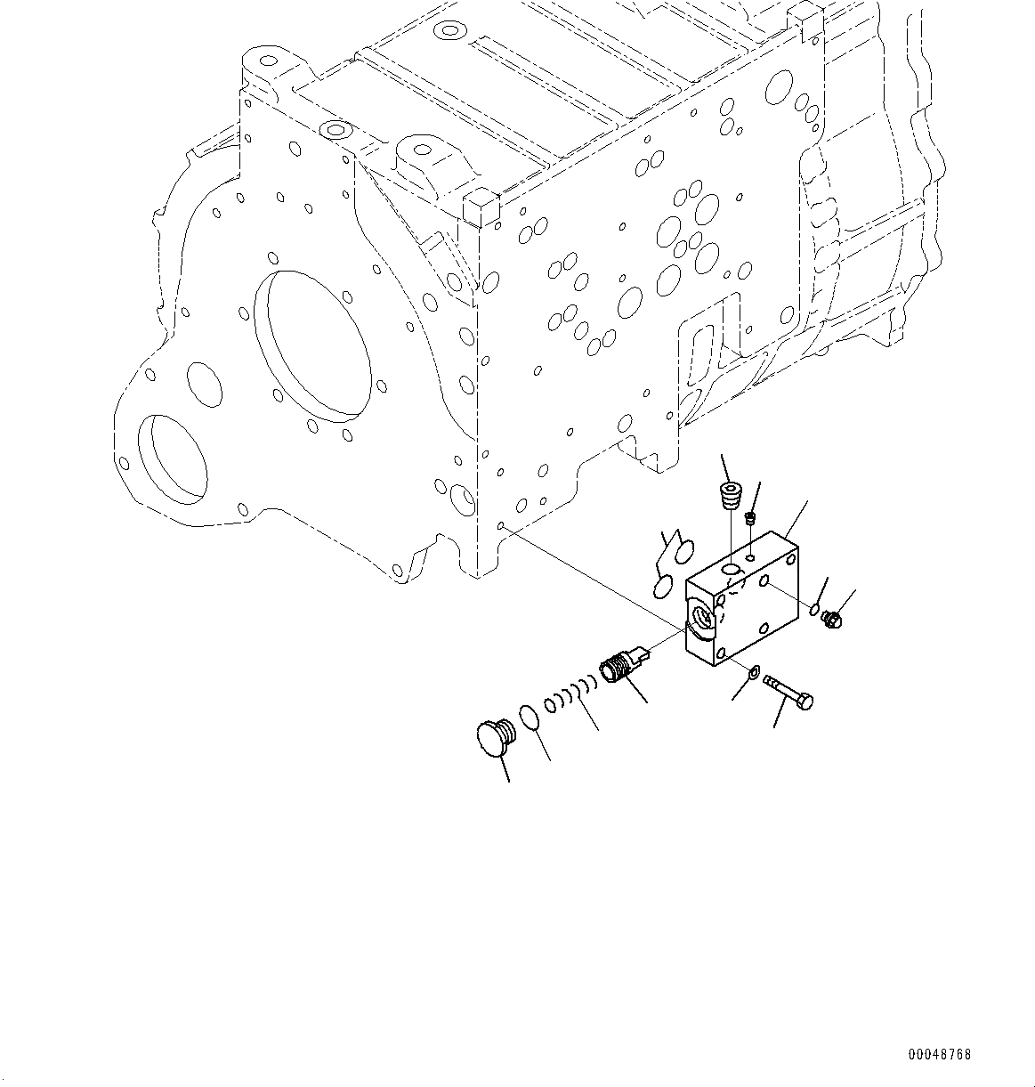
1
12
2
3
4
5
9
7
6
8
10
11
FIT
1:1
100%

Артикул

Название

Примечание

Количество

|$0

425-15-31011

Transmission Assembly, With Lockup

SN: 55479-(102872

1шт.

|$1

426-15-44001

Valve Assembly

SN: 55479-(102872

1шт.

1

426-15-44112

Block

SN: 55479-(102872

1шт.

2

103-40-31210

Spring

SN: 55479-(102872

1шт.

3

232-15-14280

Plug

SN: 55479-(102872

1шт.

4

07002-62434

O-ring, (Kit : K03)

SN: 55479-(102872

1шт.

5

07043-70415

Plug

SN: 55479-(102872

1шт.

6

708-8E-16150

Plug

SN: 55479-(102872

1шт.

7

07002-61023

O-ring, (Kit : K03)

SN: 55479-(102872

1шт.

8

561-15-54230

Valve

SN: 55479-(102872

1шт.

9

07043-70108

Plug

SN: 55479-(102872

1шт.

10

01010-81060

Bolt

SN: 55479-(102872

4шт.

11

01643-31032

Washer

SN: 55479-(102872

4шт.

12

07000-73028

O-ring, (Kit : K06, K07)

SN: 55479-(102872

2шт.

Выбрано товаров: 14