Запчасти Komatsu WA500-6 УПРАВЛЯЮЩ. КЛАПАН, КРЕПЛЕНИЕ (№79-) УПРАВЛЯЮЩ. КЛАПАН, С 2-Х СЕКЦИОНН. УПРАВЛЯЮЩ. КЛАПАН, ECSS

Схема запчастей Komatsu WA500-6 - УПРАВЛЯЮЩ. КЛАПАН, КРЕПЛЕНИЕ (№79-) УПРАВЛЯЮЩ. КЛАПАН, С 2-Х СЕКЦИОНН. УПРАВЛЯЮЩ. КЛАПАН, ECSS
7
5
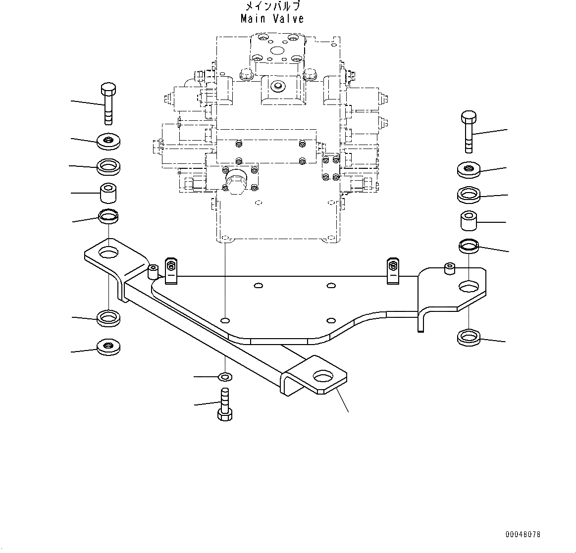
3
6
4
5
3
1
2
8
7
5
3
6
4
3
FIT
1:1
100%

Артикул

Название

Примечание

Количество

1

01010-81645

Bolt

SN: 55479-UP

4шт.

2

01643-31645

Washer

SN: 55479-UP

4шт.

3

428-62-14580

Cushion

SN: 55479-UP

6шт.

4

428-62-14590

Cushion

SN: 55479-UP

3шт.

5

428-62-14610

Washer

SN: 55479-UP

5шт.

6

428-62-14570

Spacer

SN: 55479-UP

3шт.

7

01010-61675

Bolt

SN: 55479-UP

3шт.

8

425-62-33931

Bracket

SN: 55479-UP

1шт.

Выбрано товаров: 0