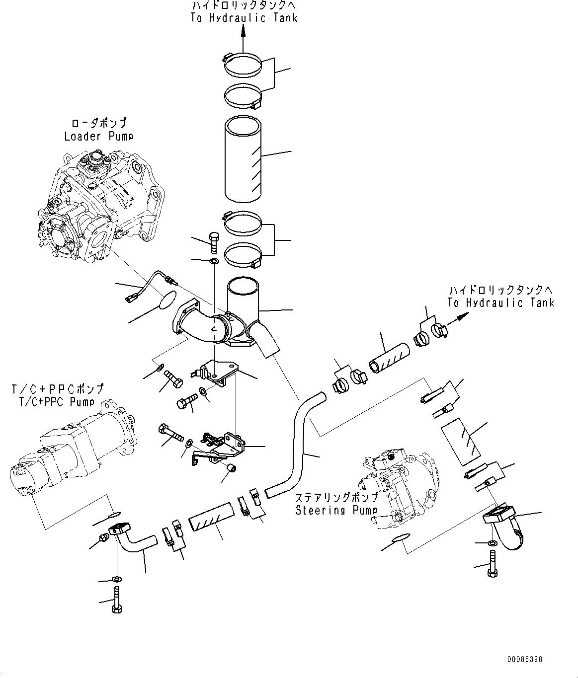
Запчасти Komatsu WA500-6 ГИДРОЛИНИЯ, ВСАСЫВ. ТРУБЫ (/) (№79-) ГИДРОЛИНИЯ, С 2-Х СЕКЦИОНН. УПРАВЛЯЮЩ. КЛАПАН, ТОРМОЗ. МАСЛ. СИСТЕМА ОХЛАЖДЕНИЯ, ПОГРУЗ. METER, ПРОХОДНОЙ ФИЛЬТР

Схема запчастей Komatsu WA500-6 - ГИДРОЛИНИЯ, ВСАСЫВ. ТРУБЫ (/) (№79-) ГИДРОЛИНИЯ, С 2-Х СЕКЦИОНН. УПРАВЛЯЮЩ. КЛАПАН, ТОРМОЗ. МАСЛ. СИСТЕМА ОХЛАЖДЕНИЯ, ПОГРУЗ. METER, ПРОХОДНОЙ ФИЛЬТР
30
20
18
17
18
19
22
23
26
30
28
29
30
4
27
25
14
5
9
10
8
12
13
11
29
30
21
2
6
16
3
15
16
7
1
24
FIT
1:1
100%

Артикул

Название

Примечание

Количество

1

425-62-33141

Tube

SN: 55479-UP

1шт.

2

07000-B2080

O-ring

SN: 55479-UP

1шт.

3

7861-93-3320

Sensor, Oil Temperature

SN: 55479-UP

1шт.

4

07372-21240

Bolt

SN: 55479-UP

4шт.

5

01643-51232

Washer

SN: 55479-UP

4шт.

6

01010-81240

Bolt

SN: 55479-UP

2шт.

7

01643-31232

Washer

SN: 55479-UP

2шт.

8

425-62-35151

Bracket

SN: 55479-UP

1шт.

9

01010-81235

Bolt

SN: 55479-UP

2шт.

10

01643-31232

Washer

SN: 55479-UP

2шт.

11

425-62-33153

Bracket

SN: 55479-UP

1шт.

12

01010-81255

Bolt

SN: 55479-UP

2шт.

13

01643-31232

Washer

SN: 55479-UP

2шт.

14

423-54-11340

Spacer

SN: 55479-UP

2шт.

15

425-62-33241

Hose

SN: 55479-UP

1шт.

16

07289-00130

Clamp, Hose

SN: 55479-UP

4шт.

17

07260-05816

Hose

SN: 55479-UP

1шт.

18

07289-00080

Clamp

SN: 55479-UP

4шт.

19

425-62-33181

Tube

SN: 55479-UP

1шт.

20

07000-B2060

O-ring

SN: 55479-UP

1шт.

21

07372-21245

Bolt

SN: 55479-UP

4шт.

22

01643-51232

Washer

SN: 55479-UP

4шт.

23

425-S05-3920

Tube

SN: 55479-UP

1шт.

24

07042-70108

Plug

SN: 55479-UP

1шт.

25

07000-B3048

O-ring

SN: 55479-UP

1шт.

26

01010-81245

Bolt

SN: 55479-UP

4шт.

27

01643-31232

Washer

SN: 55479-UP

4шт.

28

425-62-33771

Tube

SN: 55479-UP

1шт.

29

07260-03216

Hose

SN: 55479-UP

2шт.

30

07289-00045

Clamp

SN: 55479-UP

8шт.

Выбрано товаров: 30