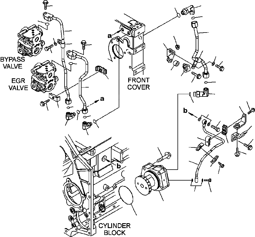
Запчасти Komatsu WA500-6 A-DA ВЫПУСКН. GAS RECIRCULATION (EGR) КЛАПАН МАСЛ. НАСОС КРЕПЛЕНИЕ И ПАТРУБКИ ДВИГАТЕЛЬ

Схема запчастей Komatsu WA500-6 - A-DA ВЫПУСКН. GAS RECIRCULATION (EGR) КЛАПАН МАСЛ. НАСОС КРЕПЛЕНИЕ И ПАТРУБКИ ДВИГАТЕЛЬ
27
25
40
26
39
32
17
24
35
18
28
40
16
23
34
22
39
20
19
26
30
21
31
25
12
9
27
37
15
29
33
37
4
8
38
36
38
13
5
36
2
6
5
14
7
6
11
15
10
1
3
FIT
1:1
100%

Артикул

Название

Примечание

Количество

1

OIL PUMP (SEE FIG. A1560-A4A0 )

-1шт.

2

01435-01255

BOLT

4шт.

3

07000-72085

O-RING

1шт.

4

6215-11-6560

BOLT, JOINT

1шт.

5

6217-71-6640

CLAMP

2шт.

6

6217-71-6650

CLAMP

2шт.

7

6261-51-9210

TUBE, OIL

1шт.

8

6261-71-5420

BRACKET

1шт.

9

6261-71-5430

BRACKET

1шт.

10

6934-72-7190

BOLT, JOINT

1шт.

11

01435-00625

BOLT

1шт.

12

01435-00630

BOLT

1шт.

13

01435-01020

BOLT

1шт.

14

01435-01025

BOLT

1шт.

15

07005-01012

GASKET

4шт.

16

6162-63-8820

CLIP

1шт.

17

6261-51-9310

TUBE, SUPPLY

1шт.

18

6261-51-9450

BRACKET

1шт.

19

6261-51-9460

BRACKET

1шт.

20

195-01-14540

COLLAR

1шт.

21

01435-01040

BOLT

1шт.

22

01435-01025

BOLT

1шт.

23

01643-31032

WASHER

1шт.

24

01584-01008

NUT

1шт.

25

02782-1042A

ELBOW

2шт.

26

02896-21012

O-RING

2шт.

27

07002-21823

O-RING

2шт.

28

6151-51-8540

CLIP

1шт.

29

6166-75-6820

CLAMP

1шт.

30

6261-51-9480

CLAMP

1шт.

31

6261-51-9320

TUBE, SUPPLY

1шт.

32

6261-51-9410

TUBE, SUPPLY

1шт.

33

01435-00835

BOLT

1шт.

34

01010-81030

BOLT

1шт.

35

01643-31032

WASHER

1шт.

36

02782-10311

ELBOW

2шт.

37

02896-21009

O-RING

2шт.

38

07002-21423

O-RING

2шт.

39

07000-E2012

O-RING

2шт.

40

01435-00825

BOLT

4шт.

Выбрано товаров: 40