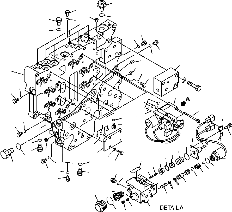
Запчасти Komatsu WA500-6 F-A КЛАПАН УПРАВЛЕНИЯ ТРАНСМИССИЕЙ УПРАВЛЯЮЩ. КЛАПАН И ECMV (БЕЗ БЛОКИР.-UP) СИЛОВАЯ ПЕРЕДАЧА И КОНЕЧНАЯ ПЕРЕДАЧА

Схема запчастей Komatsu WA500-6 - F-A КЛАПАН УПРАВЛЕНИЯ ТРАНСМИССИЕЙ УПРАВЛЯЮЩ. КЛАПАН И ECMV (БЕЗ БЛОКИР.-UP) СИЛОВАЯ ПЕРЕДАЧА И КОНЕЧНАЯ ПЕРЕДАЧА
10
5
9
8
3
6
4
5
6
5
6
9
46
2
1
6
5
6
5
11
43
45
44
32
6
6
43
5
5
22
31
4
33
44
23
3
24
38
2
25
40
8
37
42
26
12
4
41
27
6
7
16
28
6
34
14
5
3
13
36
5
15
17
20
29
30
19
18
21
11
39
35
FIT
1:1
100%

Артикул

Название

Примечание

Количество

|$0

TRANSMISSION ASSEMBLY (SEE FIG. F4320-51A0 )

SN: A92001--UP

-1шт.

|$1

425-15-35001

VALVE ASSEMBLY

SN: A92001--UP

1шт.

1

425-15-35131

SEAT

SN: A92001--UP

1шт.

2

07043-70312

PLUG

SN: A92001--UP

2шт.

3

07040-11612

PLUG

SN: A92001--UP

6шт.

4

NSS

O-RING

SN: A92001--UP

6шт.

5

07040-11409

PLUG

SN: A92001--UP

14шт.

6

07002-61423

O-RING

SN: A92001--UP

14шт.

7

07040-13016

PLUG

SN: A92001--UP

1шт.

8

07002-63034

O-RING

SN: A92001--UP

2шт.

9

07043-70211

PLUG

SN: A92001--UP

2шт.

10

426-15-46451

ADAPTER

SN: A92001--UP

1шт.

|$12

425-15-35201

ECMV ASSEMBLY

SN: A92001--UP

6шт.

11

NSS

BODY

SN: A92001--UP

1шт.

12

NSS

SOLENOID

SN: A92001--UP

1шт.

13

NSS

VALVE

SN: A92001--UP

1шт.

14

NSS

BALL

SN: A92001--UP

1шт.

15

NSS

O-RING

SN: A92001--UP

1шт.

16

NSS

O-RING

SN: A92001--UP

1шт.

17

NSS

SPOOL

SN: A92001--UP

1шт.

18

NSS

SPRING

SN: A92001--UP

1шт.

19

NSS

SHIM, 0.5 MM

SN: A92001--UP

3шт.

20

NSS

SHIM, 0.2 MM

SN: A92001--UP

3шт.

21

NSS

PLUG

SN: A92001--UP

1шт.

22

NSS

SWITCH ASSEMBLY

SN: A92001--UP

1шт.

23

NSS

SPRING

SN: A92001--UP

1шт.

24

NSS

SHIM, 0.5 MM

SN: A92001--UP

2шт.

25

NSS

SHIM, 0.2 MM

SN: A92001--UP

1шт.

26

NSS

SHEET

SN: A92001--UP

1шт.

27

NSS

PIN

SN: A92001--UP

1шт.

28

NSS

SPRING

SN: A92001--UP

1шт.

29

NSS

SPOOL

SN: A92001--UP

1шт.

30

NSS

PLUG

SN: A92001--UP

1шт.

31

01252-60510

BOLT

SN: A92001--UP

4шт.

32

714-23-15690

BRACKET

SN: A92001--UP

1шт.

33

NSS

O-RING

SN: A92001--UP

1шт.

34

708-8E-16150

PLUG

SN: A92001--UP

1шт.

35

NSS

PLUG

SN: A92001--UP

1шт.

36

07002-61023

O-RING

SN: A92001--UP

1шт.

37

NSS

PLATE

SN: A92001--UP

1шт.

38

NSS

BAND

SN: A92001--UP

1шт.

39

NSS

O-RING

SN: A92001--UP

1шт.

40

425-15-35160

COVER

SN: A92001--UP

1шт.

41

01010-80620

BOLT

SN: A92001--UP

4шт.

42

01643-30623

WASHER

SN: A92001--UP

4шт.

43

07000-72015

O-RING

SN: A92001--UP

28шт.

44

07000-71007

O-RING

SN: A92001--UP

7шт.

45

01252-70650

BOLT

SN: A92001--UP

24шт.

46

426-15-45141

BLOCK

SN: A92001--UP

1шт.

Выбрано товаров: 49