Качественные детали и логистика
Оригинальные и аналоговые запчасти с доставкой по России, Казахстану и Беларуси
©2022 PartSell ООО "Система" ИНН 2463123282 ОГРН 1212400004838
Центральный офис: г. Красноярск, Академика Киренского, д.87, пом.4
Телефон: 8 (800) 777-65-74 Email: zakaz@partsell.ru
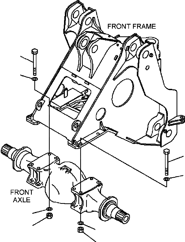
F-8A ПЕРЕДНИЙ МОСТ КРЕПЛЕНИЕ
№
Артикул
Название
Примечание
Количество
1
425-46-31310
BOLT
SN: A92001--UP
4шт.
2
425-46-31320
3
01580-03931
NUT
8шт.
4
01643-33990
WASHER
16шт.
Выбрано товаров: 0