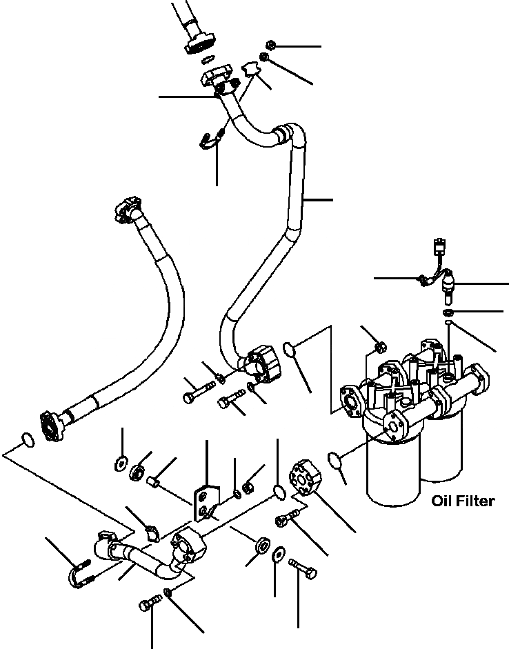
Запчасти Komatsu WA500-6 F7-A ГИДРОТРАНСФОРМАТОР И ТРАНСМИССИЯ ЛИНИЯ МАСЛ. ФИЛЬТР ТРУБЫ (МАСЛ. ФИЛЬТР ) СИЛОВАЯ ПЕРЕДАЧА И КОНЕЧНАЯ ПЕРЕДАЧА

Схема запчастей Komatsu WA500-6 - F7-A ГИДРОТРАНСФОРМАТОР И ТРАНСМИССИЯ ЛИНИЯ МАСЛ. ФИЛЬТР ТРУБЫ (МАСЛ. ФИЛЬТР ) СИЛОВАЯ ПЕРЕДАЧА И КОНЕЧНАЯ ПЕРЕДАЧА
10
9
7
8
8
6
28
27
25
5
2
26
1
11
4
20
3
19
15
22
23
31
32
12
29
30
13
14
21
18
20
24
17
16
FIT
1:1
100%

Артикул

Название

Примечание

Количество

1

01010-81075

BOLT

SN: A92001--UP

3шт.

2

01643-31032

WASHER

SN: A92001--UP

3шт.

3

01010-81060

BOLT

SN: A92001--UP

1шт.

4

01643-31032

WASHER

SN: A92001--UP

1шт.

5

01580-11008

NUT

SN: A92001--UP

3шт.

6

425-16-31341

TUBE

SN: A92001--UP

1шт.

7

07283-53444

SEAT

SN: A92001--UP

2шт.

8

07283-33450

CLIP

SN: A92001--UP

2шт.

9

01643-31032

WASHER

SN: A92001--UP

4шт.

10

01597-01009

NUT

SN: A92001--UP

4шт.

11

07000-A3035

O-RING

SN: A92001--UP

1шт.

12

07000-A3038

O-RING

SN: A92001--UP

1шт.

13

576-61-21481

FLANGE

SN: A92001--UP

1шт.

14

01252-71035

BOLT

SN: A92001--UP

4шт.

15

07000-A3035

O-RING

SN: A92001--UP

1шт.

16

01010-81060

BOLT

SN: A92001--UP

4шт.

17

01643-31032

WASHER

SN: A92001--UP

4шт.

18

425-16-31451

TUBE

SN: A92001--UP

1шт.

19

425-16-31361

PLATE

SN: A92001--UP

1шт.

20

415-64-13120

WASHER

SN: A92001--UP

4шт.

21

415-64-13130

CUSHION

SN: A92001--UP

2шт.

22

419-43-17930

CUSHION

SN: A92001--UP

2шт.

23

417-62-14130

SPACER

SN: A92001--UP

2шт.

24

01010-81050

BOLT

SN: A92001--UP

2шт.

25

425-16-11230

WASHER

SN: A92001--UP

1шт.

26

07002-51623

O-RING

SN: A92001--UP

1шт.

27

7861-92-1950

SENSOR

SN: A92001--UP

1шт.

28

04435-50510

CLIP

SN: A92001--UP

1шт.

29

07283-53444

SEAT

SN: A92001--UP

1шт.

30

07283-33450

CLIP

SN: A92001--UP

1шт.

31

01643-31032

WASHER

SN: A92001--UP

2шт.

32

01597-01009

NUT

SN: A92001--UP

2шт.

Выбрано товаров: 32