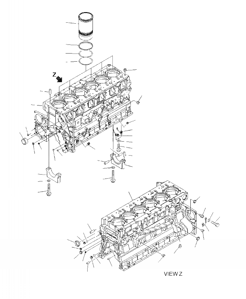
Запчасти Komatsu WA500-6 A-AK БЛОК ЦИЛИНДРОВ ДВИГАТЕЛЬ

Схема запчастей Komatsu WA500-6 - A-AK БЛОК ЦИЛИНДРОВ ДВИГАТЕЛЬ
35
36
37
38
16
22
21
1
15
23
32
2
31
34
22
33
25
18
5
14
23
22
17
4
7
3
6
7
1
6
13
28
30
29
22
12
11
27
19
16
14
20
8
13
18
16
10
26
9
24
FIT
1:1
100%

Артикул

Название

Примечание

Количество

|$0

6261-21-1100

CYLINDER BLOCK ASSEMBLY

1шт.

|$1

NSS

BLOCK SUBASSEMBLY

1шт.

1

NSS

BLOCK, CYLINDER

1шт.

2

6210-21-1491

BUSHING, CAMSHAFT

7шт.

3

NSS

CAP, MAIN BEARING NO. 1,2,3,4,5,6

6шт.

4

NSS

CAP, MAIN BEARING NO. 7

1шт.

5

04020-00514

PIN, DOWEL

2шт.

6

6217-21-1710

BOLT

14шт.

7

01643-31845

WASHER

14шт.

8

07043-01019

PLUG

1шт.

9

6217-21-1980

PLUG

1шт.

10

07000-72025

O-RING

1шт.

11

6217-21-1990

PLUG

1шт.

12

07000-72021

O-RING

1шт.

13

07046-43516

PLUG

2шт.

14

07046-42516

PLUG

2шт.

15

07046-42010

PLUG

1шт.

16

07043-70108

PLUG

11шт.

17

07046-11816

PLUG, EXPANSION

3шт.

18

07046-41810

PLUG

2шт.

19

07046-47020

PLUG

1шт.

20

07046-44016

PLUG

3шт.

21

07043-70211

PLUG

2шт.

22

04020-00820

PIN, DOWEL

12шт.

23

6210-21-1910

PIN, RING

3шт.

24

6150-21-4770

PIN, DOWEL

2шт.

25

6150-21-5910

BUSHING

1шт.

26

6210-21-1390

PIN

6шт.

27

6261-21-1611

TUBE

1шт.

28

6132-21-4620

NIPPLE

2шт.

29

6934-72-7190

BOLT

2шт.

30

07005-01012

GASKET

4шт.

31

6261-21-1910

NOZZLE, PISTON COOLING - FRONT

6шт.

32

6261-21-1920

NOZZLE, PISTON COOLING - REAR

6шт.

33

01437-01025

BOLT

12шт.

34

01643-51032

WASHER

12шт.

35

6211-22-2220

LINER, CYLINDER

6шт.

36

6210-21-2270

SEAL, CREVICE

6шт.

37

6210-21-2240

O-RING, CENTER

6шт.

38

6210-21-2230

O-RING, LOWER

6шт.

Выбрано товаров: 40