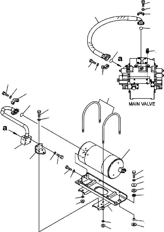
Запчасти Komatsu WA500-6 H-9A ГИДРОЛИНИЯ АККУМУЛЯТОР КРЕПЛЕНИЕ ГИДРАВЛИКА

Схема запчастей Komatsu WA500-6 - H-9A ГИДРОЛИНИЯ АККУМУЛЯТОР КРЕПЛЕНИЕ ГИДРАВЛИКА
17
18
16
13
14
15
24
20
21
19
28
29
27
8
23
25
26
30
22
24
26
25
6
7
11
12
5
3
4
9
10
1
2
9
3
10
FIT
1:1
100%

Артикул

Название

Примечание

Количество

1

425-62-34144

BRACKET

SN: A92001--UP

1шт.

2

428-64-15110

COLLAR

SN: A92001--UP

4шт.

3

418-54-13151

CUSHION

SN: A92001--UP

8шт.

4

418-54-12610

CUSHION

SN: A92001--UP

4шт.

5

416-54-13110

WASHER

SN: A92001--UP

4шт.

6

01010-81250

BOLT

SN: A92001--UP

4шт.

7

01643-31232

WASHER

SN: A92001--UP

4шт.

8

426-62-34870

CLIP

SN: A92001--UP

2шт.

9

01643-31645

WASHER

SN: A92001--UP

4шт.

10

01597-01615

NUT

SN: A92001--UP

4шт.

11

01010-81230

BOLT

SN: A92001--UP

1шт.

12

01643-31232

WASHER

SN: A92001--UP

1шт.

13

425-62-33943

HOSE

SN: A92001--UP

1шт.

14

07000-B3032

O-RING

SN: A92001--UP

1шт.

15

07000-B3038

O-RING

SN: A92001--UP

1шт.

16

07371-31049

FLANGE

SN: A92001--UP

2шт.

17

07372-21035

BOLT

SN: A92001--UP

4шт.

18

01643-51032

WASHER

SN: A92001--UP

4шт.

19

07371-51260

FLANGE

SN: A92001--UP

2шт.

20

07372-21245

BOLT

SN: A92001--UP

4шт.

21

01643-51232

WASHER

SN: A92001--UP

4шт.

22

425-62-34951

TUBE

SN: A92001--UP

1шт.

23

07000-B3038

O-RING

SN: A92001--UP

1шт.

24

425-62-34970

PLATE

SN: A92001--UP

1шт.

25

01010-81235

BOLT

SN: A92001--UP

6шт.

26

01643-31232

WASHER

SN: A92001--UP

6шт.

27

07371-51260

FLANGE

SN: A92001--UP

2шт.

28

01010-81245

BOLT

SN: A92001--UP

4шт.

29

01643-31232

WASHER

SN: A92001--UP

4шт.

30

ACCUMULATOR, ECSS (SEE FIG. H4200-09A0 )

SN: A92001--UP

-1шт.

Выбрано товаров: 30