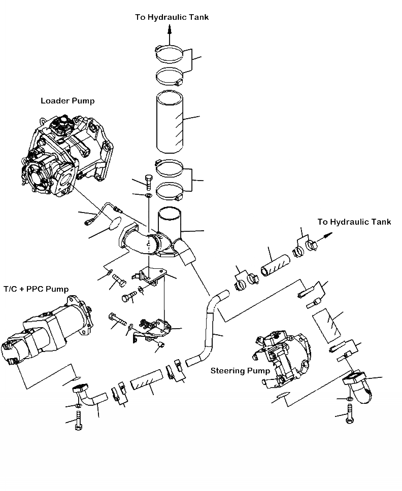
Запчасти Komatsu WA500-6 H-A ГИДРОЛИНИЯ ВСАСЫВАЮЩАЯ ЛИНИЯ(ДЛЯ ТОРМОЗ. СИСТЕМА ОХЛАЖДЕНИЯ) ГИДРАВЛИКА

Схема запчастей Komatsu WA500-6 - H-A ГИДРОЛИНИЯ ВСАСЫВАЮЩАЯ ЛИНИЯ(ДЛЯ ТОРМОЗ. СИСТЕМА ОХЛАЖДЕНИЯ) ГИДРАВЛИКА
16
15
6
16
7
3
29
1
28
2
29
18
8
5
4
10
17
9
11
12
27
18
13
14
19
29
24
22
28
20
26
29
21
23
25
FIT
1:1
100%

Артикул

Название

Примечание

Количество

1

425-62-33141

TUBE

SN: A92001--UP

1шт.

2

07000-B2080

O-RING

SN: A92001--UP

1шт.

3

7861-93-3320

SENSOR

SN: A92001--UP

1шт.

4

07372-21240

BOLT

SN: A92001--UP

4шт.

5

01643-51232

WASHER

SN: A92001--UP

4шт.

6

01010-81240

BOLT

SN: A92001--UP

2шт.

7

01643-31232

WASHER

SN: A92001--UP

2шт.

8

425-62-35151

BRACKET

SN: A92001--UP

1шт.

9

01010-81235

BOLT

SN: A92001--UP

2шт.

10

01643-31232

WASHER

SN: A92001--UP

2шт.

11

425-62-33153

BRACKET

SN: A92001--UP

1шт.

12

01010-81255

BOLT

SN: A92001--UP

2шт.

13

01643-31232

WASHER

SN: A92001--UP

2шт.

14

423-54-11340

SPACER

SN: A92001--UP

2шт.

15

425-62-33241

HOSE

SN: A92001--UP

1шт.

16

182 088 H1

CLAMP

SN: A92001--UP

4шт.

17

07260-25816

HOSE

SN: A92001--UP

1шт.

18

07289-00070

CLAMP

SN: A92001--UP

4шт.

19

425-62-33181

TUBE

SN: A92001--UP

1шт.

20

07000-B2060

O-RING

SN: A92001--UP

1шт.

21

07372-21245

BOLT

SN: A92001--UP

4шт.

22

01643-51232

WASHER

SN: A92001--UP

4шт.

23

425-S05-3920

TUBE

SN: A92001--UP

1шт.

24

07000-B3032

O-RING

SN: A92001--UP

1шт.

25

07372-01040

BOLT

SN: A92001--UP

4шт.

26

01643-51032

WASHER

SN: A92001--UP

4шт.

27

425-62-33771

TUBE

SN: A92001--UP

1шт.

28

07260-23216

HOSE

SN: A92001--UP

2шт.

29

07289-00045

CLAMP

SN: A92001--UP

8шт.

Выбрано товаров: 29