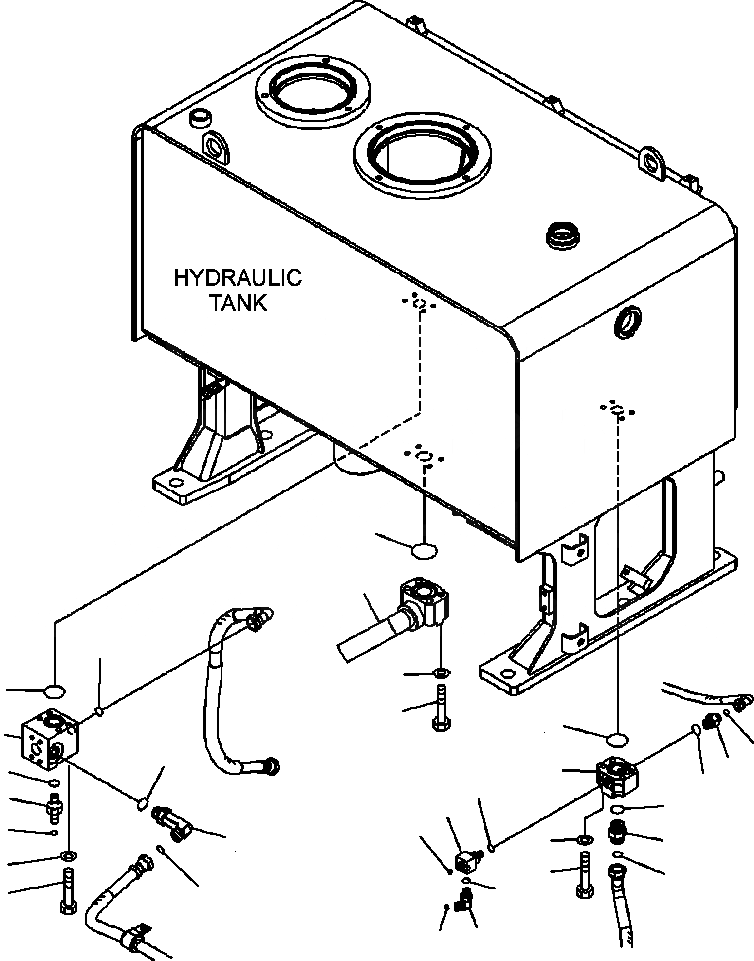
Запчасти Komatsu WA500-6 H-B ГИДРОЛИНИЯ БАК ТРУБЫ (С ЭКСТРЕНН. УПРАВЛ.) (/) ГИДРАВЛИКА

Схема запчастей Komatsu WA500-6 - H-B ГИДРОЛИНИЯ БАК ТРУБЫ (С ЭКСТРЕНН. УПРАВЛ.) (/) ГИДРАВЛИКА
18
17
23
20
22
19
2
21
7
27
1
30
5
12
6
29
9
11
13
31
26
8
4
25
3
10
28
15
24
14
16
FIT
1:1
100%

Артикул

Название

Примечание

Количество

1

425-60-35580

BLOCK

SN: A92001--UP

1шт.

2

07000-B3038

O-RING

SN: A92001--UP

1шт.

3

07372-21060

BOLT

SN: A92001--UP

4шт.

4

01643-51032

WASHER

SN: A92001--UP

4шт.

5

02781-00315

UNION

SN: A92001--UP

1шт.

6

07002-62034

O-RING

SN: A92001--UP

1шт.

7

02896-61009

O-RING

SN: A92001--UP

1шт.

8

02781-00522

UNION

SN: A92001--UP

1шт.

9

07002-62434

O-RING

SN: A92001--UP

1шт.

10

02896-61015

O-RING

SN: A92001--UP

1шт.

11

425-62-32370

TEE

SN: A92001--UP

1шт.

12

07002-61423

O-RING

SN: A92001--UP

1шт.

13

02896-61008

O-RING

SN: A92001--UP

1шт.

14

154-969-3550

ELBOW

SN: A92001--UP

1шт.

15

07002-61423

O-RING

SN: A92001--UP

1шт.

16

02896-61009

O-RING

SN: A92001--UP

1шт.

17

425-62-31522

TUBE

SN: A92001--UP

1шт.

18

07000-B3038

O-RING

SN: A92001--UP

1шт.

19

01010-81275

BOLT

SN: A92001--UP

4шт.

20

01643-31232

WASHER

SN: A92001--UP

4шт.

21

425-62-33732

BLOCK

SN: A92001--UP

1шт.

22

07000-B3038

O-RING

SN: A92001--UP

1шт.

23

02896-61015

O-RING

SN: A92001--UP

1шт.

24

01010-81095

BOLT

SN: A92001--UP

4шт.

25

01643-31032

WASHER

SN: A92001--UP

4шт.

26

02782-10524

ELBOW

SN: A92001--UP

1шт.

27

07002-62434

O-RING

SN: A92001--UP

1шт.

28

02896-61015

O-RING

SN: A92001--UP

1шт.

29

02781-0031D

UNION

SN: A92001--UP

1шт.

30

07002-61423

O-RING

SN: A92001--UP

1шт.

31

02896-61009

O-RING

SN: A92001--UP

1шт.

Выбрано товаров: 31