Запчасти Komatsu WA500-6 H-A ГИДР. НАСОС. ПОГРУЗ. (END КРЫШКА) (/8) ГИДРАВЛИКА

Схема запчастей Komatsu WA500-6 - H-A ГИДР. НАСОС. ПОГРУЗ. (END КРЫШКА) (/8) ГИДРАВЛИКА
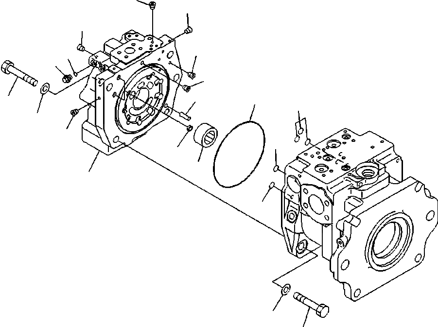
2
2
2
9
12
11
2
6
4
7
5
8
2
5
10
3
1
5
8
7
FIT
1:1
100%

Артикул

Название

Примечание

Количество

|$0

PUMP ASSEMBLY (SEE FIG. H0210-01A0 )

SN: A92001--UP

-1шт.

|$1

PUMP SUBASSEMBLY (SEE FIG. H4200-21A0 )

SN: A92001--UP

-1шт.

|$2

708-1H-04610

CAP ASSEMBLY, END

SN: A92001--UP

1шт.

1

NSS

CAP, END

SN: A92001--UP

1шт.

2

NSS

PLUG

SN: A92001--UP

19шт.

3

708-2H-12430

BEARING

SN: A92001--UP

1шт.

4

07000-A5190

O-RING

SN: A92001--UP

1шт.

5

07000-B2012

O-RING

SN: A92001--UP

5шт.

6

04020-01434

PIN, DOWEL

SN: A92001--UP

1шт.

7

01011-61860

BOLT

SN: A92001--UP

5шт.

8

01643-21845

WASHER

SN: A92001--UP

5шт.

9

708-1L-29340

ORIFICE

SN: A92001--UP

1шт.

10

708-2L-25480

FILTER

SN: A92001--UP

2шт.

11

708-8E-16150

PLUG

SN: A92001--UP

1шт.

12

07002-61023

O-RING

SN: A92001--UP

1шт.

|$15

15

-1шт.

|$16

F1 - THIS PART IS SUPPLIED AS PART OF THE ASSEMBLY. HOWEVER, IT IS AVAILABLE AS AN INDIVIDUAL PART TO AUTHORIZED DISTRIBUTORS ONLY.

16

-1шт.

Выбрано товаров: 17