Запчасти Komatsu WA500-6 H-A ГИДР. НАСОС. ОХЛАЖД-Е (ДЛЯ ТОРМОЗ. СИСТЕМА ОХЛАЖДЕНИЯ) (/) ГИДРАВЛИКА

Схема запчастей Komatsu WA500-6 - H-A ГИДР. НАСОС. ОХЛАЖД-Е (ДЛЯ ТОРМОЗ. СИСТЕМА ОХЛАЖДЕНИЯ) (/) ГИДРАВЛИКА
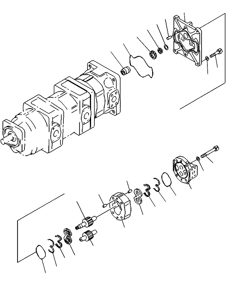
1
10
15
14
17
18
16
19
20
12
13
9
9
3
4
11
8
7
6
2
5
6
7
8
11
FIT
1:1
100%

Артикул

Название

Примечание

Количество

|$0

PUMP ASSEMBLY (SAL(3)80)+(SAL(2)14) (SEE FIG. H0210-01A1 )

SN: A92001--UP

-1шт.

|$1

705-13-23650

PUMP ASSEMBLY (SAL(2)14)

SN: A92001--UP

1шт.

1

705-19-02570

BRACKET ASSEMBLY

SN: A92001--UP

1шт.

N/I

705-17-02353

BUSHING, PLANE

SN: A92001--UP

2шт.

2

705-18-23010

CASE, GEAR

SN: A92001--UP

1шт.

3

705-17-02122

COVER ASSEMBLY

SN: A92001--UP

1шт.

N/I

705-17-02353

BUSHING, PLANE

SN: A92001--UP

2шт.

4

705-18-23450

GEAR, DRIVE

SN: A92001--UP

1шт.

5

705-18-23510

GEAR, DRIVEN

SN: A92001--UP

1шт.

6

705-17-02612

PLATE, SIDE

SN: A92001--UP

2шт.

7

705-17-02460

RING, SEAL

SN: A92001--UP

2шт.

8

705-17-02430

RING, BACKUP

SN: A92001--UP

2шт.

9

04020-01024

PIN, DOWEL

SN: A92001--UP

4шт.

10

04020-01228

PIN, DOWEL

SN: A92001--UP

2шт.

11

705-17-02360

O-RING

SN: A92001--UP

2шт.

12

01252-61275

BOLT

SN: A92001--UP

4шт.

13

01643-51232

WASHER

SN: A92001--UP

4шт.

14

705-17-02950

SEAL

SN: A92001--UP

1шт.

15

705-17-02870

PLATE

SN: A92001--UP

1шт.

16

705-17-02330

COUPLING ASSEMBLY

SN: A92001--UP

1шт.

17

705-19-02870

COLLAR

SN: A92001--UP

1шт.

18

705-17-03381

O-RING

SN: A92001--UP

1шт.

19

01252-61450

BOLT

SN: A92001--UP

4шт.

20

705-17-04980

WASHER

SN: A92001--UP

4шт.

|$24

24

-1шт.

|$25

F1 - THIS PART IS SUPPLIED AS PART OF THE ASSEMBLY. HOWEVER, IT IS AVAILABLE AS AN INDIVIDUAL PART TO AUTHORIZED DISTRIBUTORS ONLY.

25

-1шт.

Выбрано товаров: 0