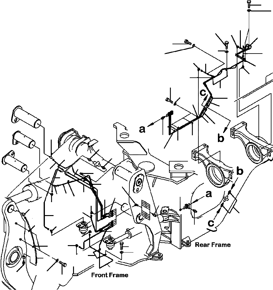
Запчасти Komatsu WA500-6 J7-A УДАЛЕННАЯ СМАЗКА ТРУБКА (ДЛЯ ТОРМОЗ. СИСТЕМА ОХЛАЖДЕНИЯ) ОСНОВНАЯ РАМА И ЕЕ ЧАСТИ

Схема запчастей Komatsu WA500-6 - J7-A УДАЛЕННАЯ СМАЗКА ТРУБКА (ДЛЯ ТОРМОЗ. СИСТЕМА ОХЛАЖДЕНИЯ) ОСНОВНАЯ РАМА И ЕЕ ЧАСТИ
26
27
20
26
23
24
26
27
21
27
17
23
25
24
23
26
25
27
21
24
20
19
18
11
22
25
24
12
25
12
14
4
2
11
5
11
13
29
1
14
7
3
11
14
30
11
11
31
6
8
22
33
11
28
14
11
11
15
33
16
14
32
9
10
35
36
34
FIT
1:1
100%

Артикул

Название

Примечание

Количество

1

425-46-36310

TUBE

SN: A92001--UP

1шт.

2

425-46-36320

TUBE

SN: A92001--UP

1шт.

3

425-46-36430

TUBE

SN: A92001--UP

1шт.

4

425-46-36191

TUBE

SN: A92001--UP

1шт.

5

425-46-36152

TUBE

SN: A92001--UP

1шт.

6

425-46-36140

TUBE

SN: A92001--UP

1шт.

7

425-46-36181

TUBE

SN: A92001--UP

1шт.

8

425-46-36171

TUBE

SN: A92001--UP

1шт.

9

425-46-36160

TUBE

SN: A92001--UP

1шт.

10

425-46-36240

TUBE

SN: A92001--UP

1шт.

11

421-09-12540

ELBOW

SN: A92001--UP

16шт.

12

423-09-12110

CONNECTOR

SN: A92001--UP

4шт.

13

04435-50610

CLIP

SN: A92001--UP

1шт.

14

04434-50612

CLIP

SN: A92001--UP

15шт.

15

01010-81016

BOLT

SN: A92001--UP

11шт.

16

01643-31032

WASHER

SN: A92001--UP

11шт.

17

425-46-36213

TUBE

SN: A92001--UP

1шт.

18

425-46-36223

TUBE

SN: A92001--UP

1шт.

19

425-46-36232

TUBE

SN: A92001--UP

1шт.

20

425-46-36251

TUBE

SN: A92001--UP

1шт.

21

425-46-36261

TUBE

SN: A92001--UP

1шт.

22

423-09-12110

CONNECTOR

SN: A92001--UP

7шт.

23

421-09-12540

ELBOW

SN: A92001--UP

3шт.

24

04434-50610

CLIP

SN: A92001--UP

5шт.

25

04435-50610

CLIP

SN: A92001--UP

5шт.

26

01010-81016

BOLT

SN: A92001--UP

8шт.

27

01643-31032

WASHER

SN: A92001--UP

8шт.

28

07020-00000

FITTING, GREASE

SN: A92001--UP

3шт.

29

07043-70108

PLUG

SN: A92001--UP

3шт.

30

07020-00000

FITTING, GREASE

SN: A92001--UP

8шт.

31

426-70-13270

ELBOW

SN: A92001--UP

1шт.

32

426-70-13291

HOSE

SN: A92001--UP

1шт.

33

04434-51210

CLIP

SN: A92001--UP

2шт.

34

01010-81016

BOLT

SN: A92001--UP

2шт.

35

01643-31032

WASHER

SN: A92001--UP

2шт.

36

07020-00000

FITTING, GREASE ,

SN: A92001--UP

1шт.

Выбрано товаров: 36