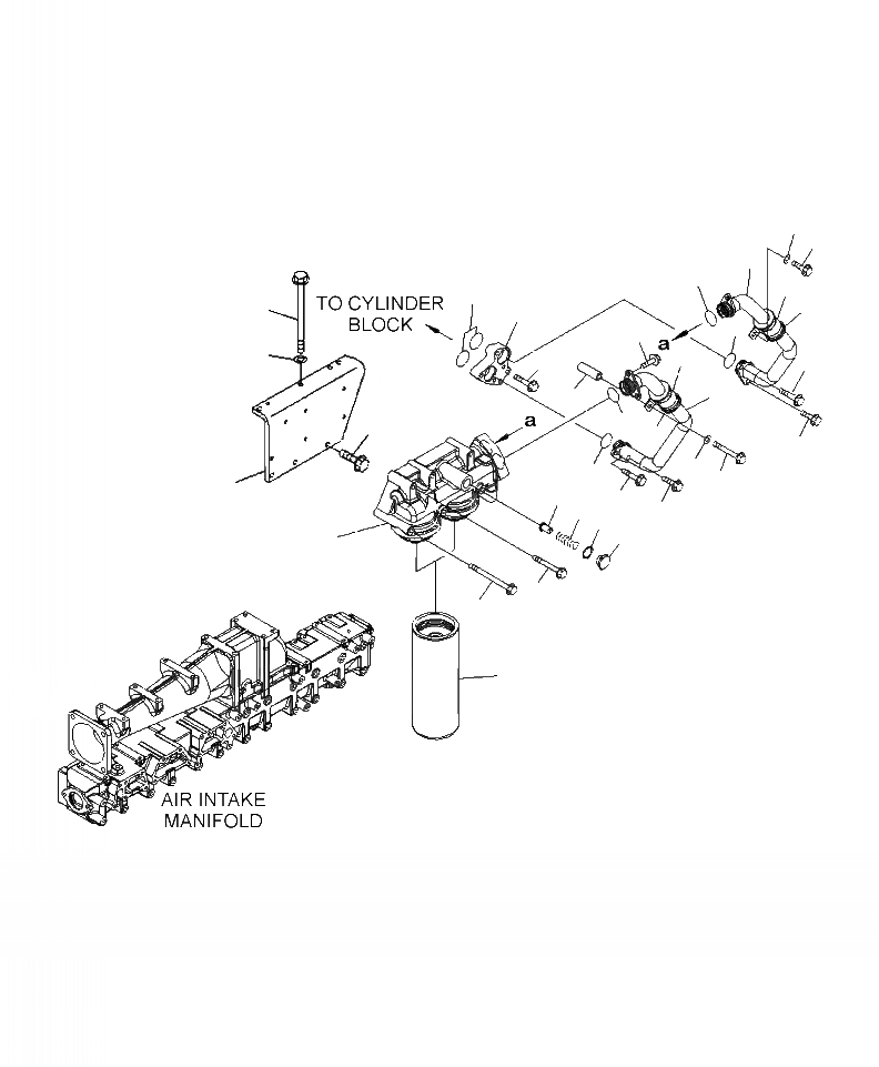
Запчасти Komatsu WA500-6 A-AG МАСЛ. ФИЛЬТР И ТРУБЫ ДВИГАТЕЛЬ

Схема запчастей Komatsu WA500-6 - A-AG МАСЛ. ФИЛЬТР И ТРУБЫ ДВИГАТЕЛЬ
19
15
10
11
13
20
14
28
22
11
12
29
13
23
24
9
17
27
21
14
25
16
21
18
26
3
24
5
25
4
2
1
7
8
6
FIT
1:1
100%

Артикул

Название

Примечание

Количество

|$0

6261-51-6701

HEAD ASSEMBLY

1шт.

1

6261-51-6711

HEAD, OIL FILTER

1шт.

2

6217-51-5660

CAP

1шт.

3

6162-55-5230

VALVE

1шт.

4

6162-53-5430

PACKING

1шт.

5

600-211-1890

SPRING

1шт.

6

600-211-1340

CARTRIDGE, OIL

2шт.

7

01435-01095

BOLT

3шт.

8

01436-01040

BOLT

3шт.

9

6261-51-5730

TUBE, RETURN

1шт.

10

6261-51-5740

TUBE, INLET

1шт.

11

07000-73034

O-RING

2шт.

12

01435-01025

BOLT

4шт.

13

6165-61-6770

CLIP

2шт.

14

6261-51-5750

CUSHION

2шт.

15

01435-01030

BOLT

1шт.

16

01643-31032

WASHER

1шт.

17

6211-11-9790

SPACER

1шт.

18

01435-01085

BOLT

1шт.

19

01643-31032

WASHER

1шт.

20

07000-73038

O-RING

2шт.

21

07000-73034

O-RING

2шт.

22

6261-51-5180

FLANGE

1шт.

23

01435-01045

BOLT

2шт.

24

01435-01050

BOLT

2шт.

25

01435-01020

BOLT

2шт.

26

6261-51-5790

BRACKET

1шт.

27

01435-01025

BOLT

3шт.

28

01011-81090

BOLT

2шт.

29

01643-31032

WASHER

2шт.

Выбрано товаров: 30