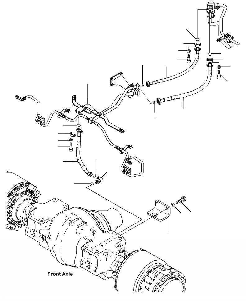
Запчасти Komatsu WA500-6 K-8A УПРАВЛ-Е ТОРМОЗОМ ПЕРЕДНИЙ МОСТ ЛИНИЯ (ДЛЯ ТОРМОЗ. СИСТЕМА ОХЛАЖДЕНИЯ) (/) OPERATORXD S ОБСТАНОВКА И СИСТЕМА УПРАВЛЕНИЯ

Схема запчастей Komatsu WA500-6 - K-8A УПРАВЛ-Е ТОРМОЗОМ ПЕРЕДНИЙ МОСТ ЛИНИЯ (ДЛЯ ТОРМОЗ. СИСТЕМА ОХЛАЖДЕНИЯ) (/) OPERATORXD S ОБСТАНОВКА И СИСТЕМА УПРАВЛЕНИЯ
7
8
10
2
9
3
7
6
5
22
4
1
2
15
16
18
17
13
14
11
12
21
20
19
FIT
1:1
100%

Артикул

Название

Примечание

Количество

1

07125-01010

HOSE

SN: A92001--UP

1шт.

2

07000-B3032

O-RING

SN: A92001--UP

2шт.

3

07371-31049

FLANGE

SN: A92001--UP

4шт.

4

07372-21035

BOLT

SN: A92001--UP

8шт.

5

01643-51032

WASHER

SN: A92001--UP

8шт.

6

07125-00610

HOSE

SN: A92001--UP

1шт.

7

07000-B3025

O-RING

SN: A92001--UP

2шт.

8

07371-30640

FLANGE

SN: A92001--UP

4шт.

9

07372-21035

BOLT

SN: A92001--UP

8шт.

10

01643-51032

WASHER

SN: A92001--UP

8шт.

11

21W-62-42640

ELBOW

SN: A92001--UP

1шт.

12

07002-63334

O-RING

SN: A92001--UP

1шт.

13

207-62-64740

O-RING

SN: A92001--UP

1шт.

14

425-S05-3811

HOSE

SN: A92001--UP

1шт.

15

07000-B3032

O-RING

SN: A92001--UP

1шт.

16

07371-31049

FLANGE

SN: A92001--UP

2шт.

17

07372-21035

BOLT

SN: A92001--UP

4шт.

18

01643-51032

WASHER

SN: A92001--UP

4шт.

19

425-S05-3661

PLATE

SN: A92001--UP

1шт.

20

01643-32060

WASHER

SN: A92001--UP

2шт.

21

01010-82050

BOLT

SN: A92001--UP

2шт.

22

TUBE (SEE FIG. K4460-08A1 )

SN: A92001--UP

-1шт.

Выбрано товаров: 22