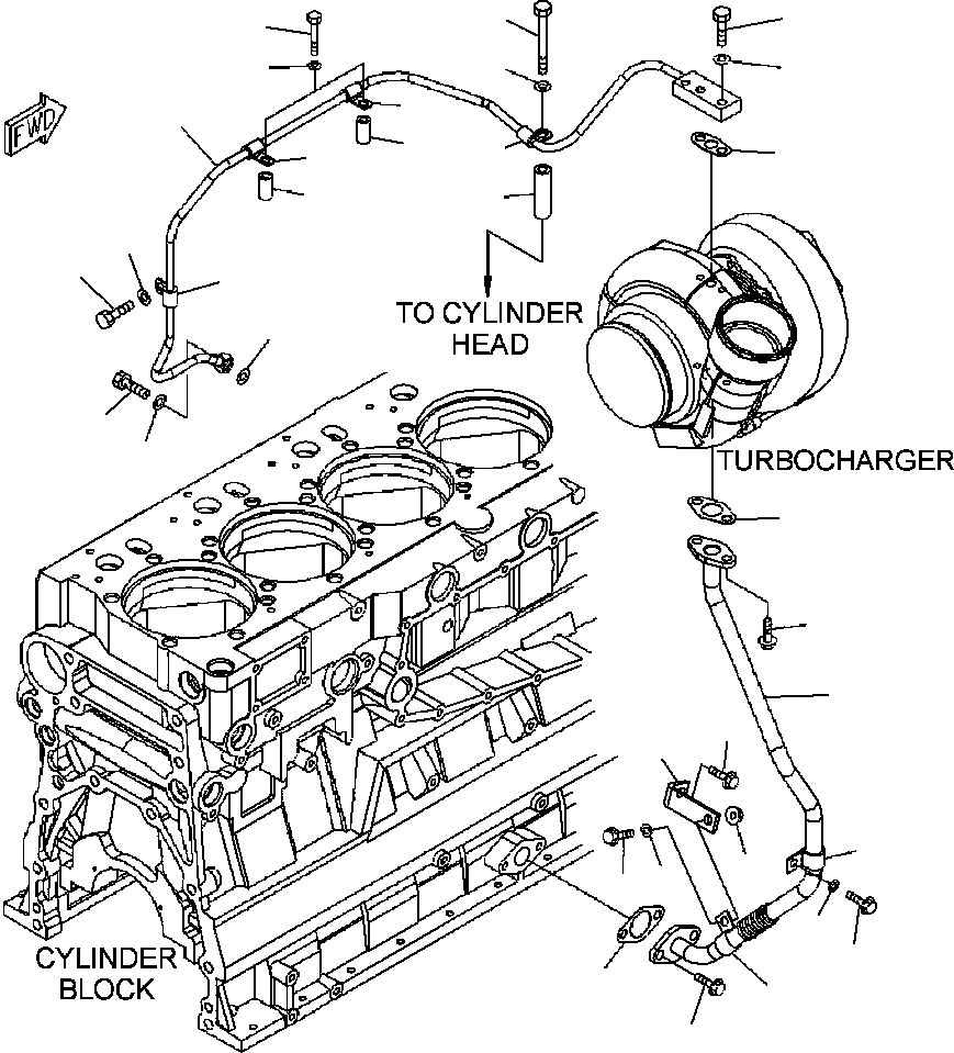
Запчасти Komatsu WA500-6 A-CK7 ТУРБОНАГНЕТАТЕЛЬ ТРУБЫ ДВИГАТЕЛЬ

Схема запчастей Komatsu WA500-6 - A-CK7 ТУРБОНАГНЕТАТЕЛЬ ТРУБЫ ДВИГАТЕЛЬ
13
11
7
14
8
12
4
6
1
5
3
4
2
1
10
9
5
15
16
15
18
22
19
25
24
23
29
28
27
21
20
17
26
22
FIT
1:1
100%

Артикул

Название

Примечание

Количество

1

207-62-32890

COLLAR

2шт.

2

6136-11-5120

SPACER

1шт.

3

6151-51-8161

GASKET

1шт.

4

6215-71-4930

CLAMP

2шт.

5

6215-71-4940

CLAMP

2шт.

6

6261-51-8160

TUBE, SUPPLY

1шт.

7

01010-80850

BOLT

2шт.

8

01643-30823

WASHER

2шт.

9

01010-81020

BOLT

1шт.

10

01643-31032

WASHER

1шт.

11

01010-81035

BOLT

2шт.

12

01643-31032

WASHER

2шт.

13

01010-81090

BOLT

1шт.

14

01643-31032

WASHER

1шт.

15

07005-01412

GASKET

2шт.

16

07206-31014

BOLT, JOINT

1шт.

17

6127-51-6822

GASKET

1шт.

18

6151-51-8151

GASKET

1шт.

19

6261-51-8110

TUBE, RETURN

1шт.

20

01435-01020

BOLT

1шт.

21

01643-31032

WASHER

1шт.

22

01435-01025

BOLT

4шт.

23

04434-51910

CLIP

1шт.

24

6261-51-8130

BRACKET

1шт.

25

01435-01020

BOLT

1шт.

26

04434-51910

CLIP

1шт.

27

01435-01025

BOLT

1шт.

28

01643-31032

WASHER

1шт.

29

01584-01008

NUT

1шт.

Выбрано товаров: 29