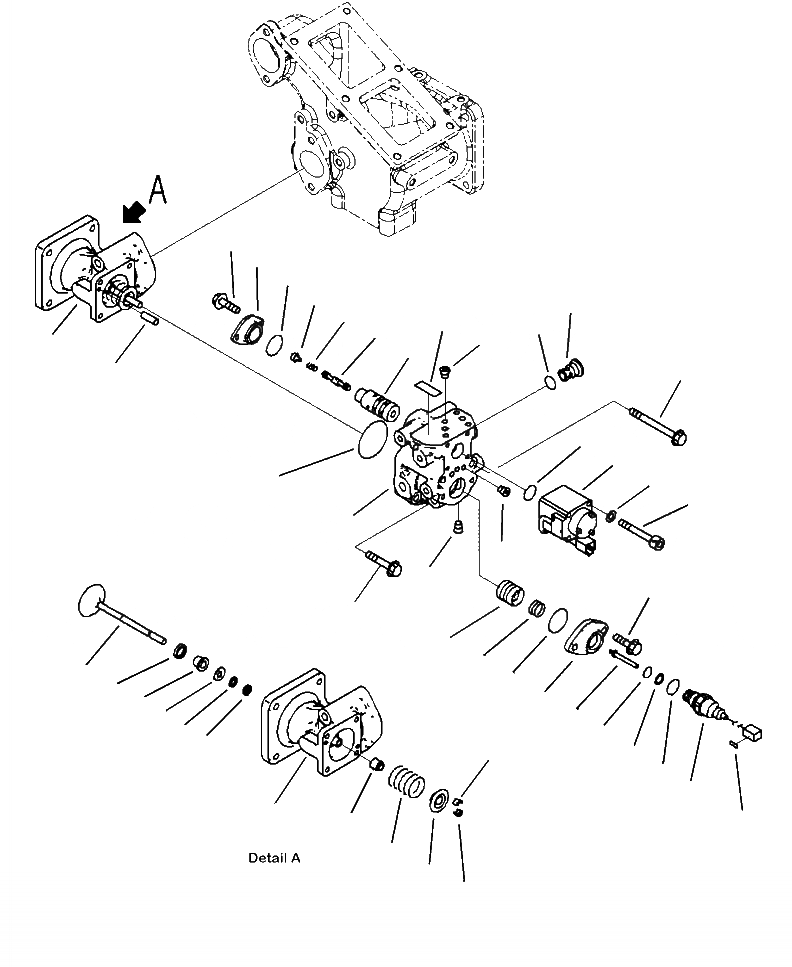
Запчасти Komatsu WA500-6 A-AA ВЫПУСКН. GAS RECIRCULATION КЛАПАН (EGR) EGR КЛАПАН ДВИГАТЕЛЬ

Схема запчастей Komatsu WA500-6 - A-AA ВЫПУСКН. GAS RECIRCULATION КЛАПАН (EGR) EGR КЛАПАН ДВИГАТЕЛЬ
24
22
23
15
20
17
43
21
16
18
1
14
26
19
40
39
42
25
41
13
18
18
32
27
28
29
8
31
7
30
5
6
34
4
36
3
11
37
38
33
2
35
12
9
10
11
FIT
1:1
100%

Артикул

Название

Примечание

Количество

|$0

6261-41-4900

VALVE ASSEMBLY

1шт.

1

6261-41-4910

VALVE ASSEMBLY

1шт.

2

6261-41-4920

CASE

1шт.

3

6261-41-4810

SEAL

1шт.

4

6261-41-4820

INSULATOR

1шт.

5

6261-41-4830

COVER

1шт.

6

6261-41-4840

PLATE

1шт.

7

6261-41-4851

RING

1шт.

8

6261-41-9650

VALVE

1шт.

9

6261-41-9610

SPRING

1шт.

10

6204-41-4510

SEAT

1шт.

11

6204-41-4520

COTTER

2шт.

12

6204-41-4541

SEAL

1шт.

|$13

6261-41-9530

CASE ASSEMBLY

1шт.

13

6261-41-9540

CASE

1шт.

14

6553-51-2110

BUSHING

1шт.

15

6553-51-2820

SEAT, T= 50 MM

1шт.

16

6553-51-3110

SPOOL

1шт.

17

6553-51-3511

SPRING

1шт.

18

NSS

PLUG

7шт.

19

04020-00514

PLUG, DOWEL

2шт.

20

6261-41-9640

FILTER

1шт.

21

07002-61823

O-RING

1шт.

22

6261-41-4960

COVER

1шт.

23

07000-E2025

O-RING

1шт.

24

01435-00612

BOLT

2шт.

25

07000-E2055

O-RING

1шт.

26

01435-00895

BOLT

2шт.

27

01435-00845

BOLT

2шт.

28

6261-41-9580

PISTON

1шт.

29

6261-41-9620

SPRING

1шт.

30

6261-41-9550

COVER

1шт.

31

07000-A2035

O-RING

1шт.

32

01435-00820

BOLT

2шт.

|$34

729-12-11001

SENSOR ASSEMBLY

1шт.

33

729-12-11100

SENSOR ASSEMBLY

1шт.

34

729-12-11201

CORE ASSEMBLY

1шт.

35

NSS

PLATE

1шт.

36

07000-B2012

O-RING

1шт.

37

07001-02012

RING, BACK-UP

1шт.

38

07002-62034

O-RING

1шт.

39

6261-41-9590

SOLENOID ASSEMBLY

1шт.

40

07000-A2016

O-RING

1шт.

41

6553-81-7110

BOLT

4шт.

42

01643-30623

WASHER

4шт.

43

NSS

PLATE

1шт.

Выбрано товаров: 46