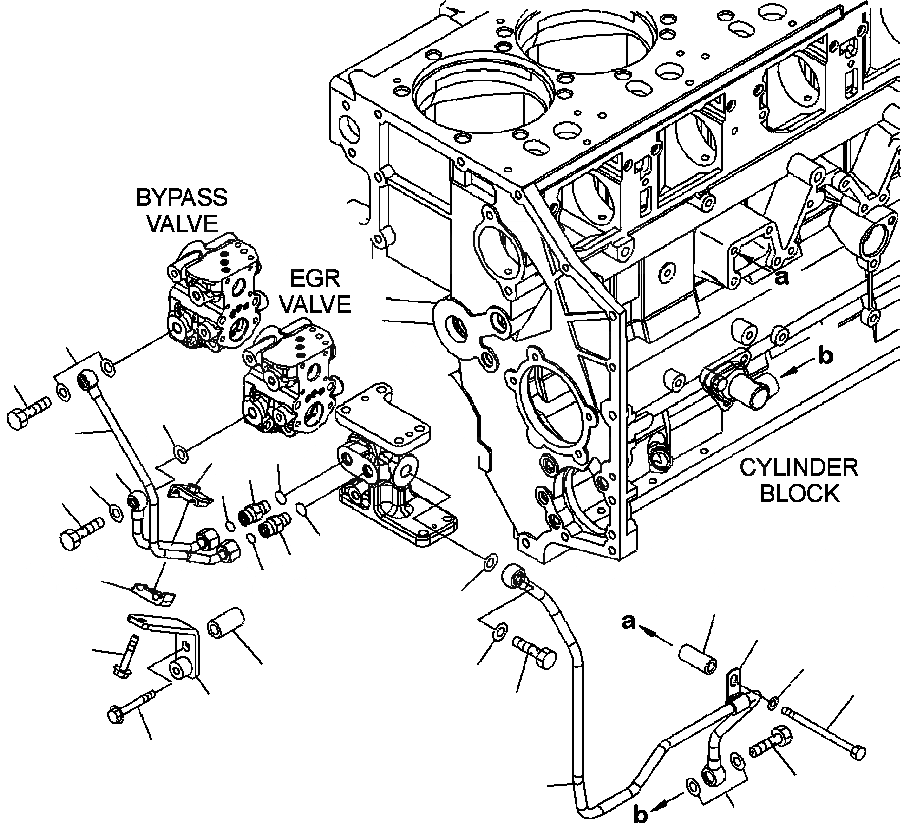
Запчасти Komatsu WA500-6 A-EA ВЫПУСКН. GAS RECIRCULATION (EGR) КЛАПАН МАСЛ. ВОЗВРАТ. ТРУБЫ ДВИГАТЕЛЬ

Схема запчастей Komatsu WA500-6 - A-EA ВЫПУСКН. GAS RECIRCULATION (EGR) КЛАПАН МАСЛ. ВОЗВРАТ. ТРУБЫ ДВИГАТЕЛЬ
6
7
6
3
2
10
4
8
6
9
7
10
8
1
9
18
20
15
5
17
12
20
16
19
11
13
14
19
20
FIT
1:1
100%

Артикул

Название

Примечание

Количество

1

6166-75-6821

CLAMP

1шт.

2

6261-51-9481

CLAMP

1шт.

3

6261-51-9610

TUBE, BYPASS VALVE

1шт.

4

6261-51-9510

TUBE, MAIN VALVE

1шт.

5

01435-00840

BOLT

1шт.

6

07005-01412

GASKET

4шт.

7

07206-31014

BOLT, JOINT

2шт.

8

02781-0031D

UNION

2шт.

9

02896-21009

O-RING

2шт.

10

07002-21423

O-RING

2шт.

11

6261-51-9630

BRACKET

1шт.

12

6206-11-4490

SPACER

1шт.

13

01435-01060

BOLT

1шт.

14

6261-51-9550

TUBE, RETURN

1шт.

15

6162-63-8820

CLIP

1шт.

16

01011-81020

BOLT

1шт.

17

01643-31032

WASHER

1шт.

18

6217-11-9841

SPACER

1шт.

19

07206-31216

BOLT, JOINT

2шт.

20

07005-01612

GASKET

4шт.

Выбрано товаров: 0