Запчасти Komatsu WA500-6 H-A ГИДР. НАСОС. РУЛЕВ. УПРАВЛЕНИЕ (заводской номер A9-A9) (/) ГИДРАВЛИКА

Схема запчастей Komatsu WA500-6 - H-A ГИДР. НАСОС. РУЛЕВ. УПРАВЛЕНИЕ (заводской номер A9-A9) (/) ГИДРАВЛИКА
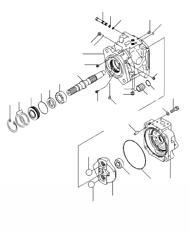
14
15
2
16
10
5
6
1
2
2
21
22
24
8
25
4
7
23
12
3
26
27
2
13
2
11
19
18
17
9
20
19
FIT
1:1
100%

Артикул

Название

Примечание

Количество

|$0

708-1W-00952

PUMP ASSEMBLY, STEERING

SN: A93001-A93035-UP

-1шт.

|$1

708-1W-01955

PUMP SUBASSEMBLY

SN: A93001-A93035-UP

1шт.

|$2

708-1W-04941

CASE ASSEMBLY

SN: A93001-A93035-UP

1шт.

1

NSS

CASE, PUMP

SN: A93001-A93035-UP

1шт.

2

708-21-12541

PLUG

SN: A93001-A93035-UP

5шт.

3

708-1W-44311

SLEEVE

SN: A93001-A93035-UP

1шт.

4

708-1W-44220

RING

SN: A93001-A93035-UP

1шт.

5

708-8E-16160

PLUG

SN: A93001-A93035-UP

1шт.

6

07002-11023

O-RING

SN: A93001-A93035-UP

1шт.

7

07040-11409

PLUG

SN: A93001-A93035-UP

1шт.

8

07002-11423

O-RING

SN: A93001-A93035-UP

1шт.

9

706-73-42370

O-RING

SN: A93001-A93035-UP

1шт.

10

07000-B1009

O-RING

SN: A93001-A93035-UP

1шт.

11

04020-01024

PIN, DOWEL

SN: A93001-A93035-UP

1шт.

12

01010-61470

BOLT

SN: A93001-A93035-UP

4шт.

13

01643-31445

WASHER

SN: A93001-A93035-UP

4шт.

|$16

708-1W-03930

PLUG KIT

SN: A93001-A93035-UP

1шт.

14

708-1W-45490

PLUG

SN: A93001-A93035-UP

1шт.

15

720-2M-15430

SEAL

SN: A93001-A93035-UP

1шт.

16

720-2M-15440

SEAL

SN: A93001-A93035-UP

1шт.

17

708-1W-41531

CAP, END

SN: A93001-A93035-UP

1шт.

18

708-1W-42120

BEARING

SN: A93001-A93035-UP

1шт.

19

708-3T-13421

BALL

SN: A93001-A93035-UP

2шт.

20

708-1W-43610

CAM, ROCKER

SN: A93001-A93035-UP

1шт.

21

708-1U-12120

SHAFT

SN: A93001-A93035-UP

1шт.

22

708-1W-42110

BEARING

SN: A93001-A93035-UP

1шт.

23

708-1W-42140

CASE, OIL SEAL

SN: A93001-A93035-UP

1шт.

24

708-1W-42130

SEAL, OIL

SN: A93001-A93035-UP

1шт.

25

07000-B2060

O-RING

SN: A93001-A93035-UP

1шт.

26

708-1W-05821

SPACER KIT

SN: A93001-A93035-UP

1шт.

|$30

NSS

SPACER, T=2.5 MM

SN: A93001-A93035-UP

1шт.

|$31

NSS

SPACER, T=2.55 MM

SN: A93001-A93035-UP

1шт.

|$32

NSS

SPACER, T=2.6 MM

SN: A93001-A93035-UP

1шт.

|$33

NSS

SPACER, T=2.65 MM

SN: A93001-A93035-UP

1шт.

|$34

NSS

SPACER, T=2.7 MM

SN: A93001-A93035-UP

1шт.

|$35

NSS

SPACER, T=2.75 MM

SN: A93001-A93035-UP

1шт.

|$36

NSS

SPACER, T=2.8 MM

SN: A93001-A93035-UP

1шт.

|$37

NSS

SPACER, T=2.85 MM

SN: A93001-A93035-UP

1шт.

|$38

NSS

SPACER, T=2.9 MM

SN: A93001-A93035-UP

1шт.

27

04065-06825

RING, SNAP

SN: A93001-A93035-UP

1шт.

|$40

40

-1шт.

|$41

F1 - THIS PART IS SUPPLIED AS PART OF THE ASSEMBLY. HOWEVER, IT IS AVAILABLE AS AN INDIVIDUAL PART TO AUTHORIZED DISTRIBUTORS ONLY.

41

-1шт.

Выбрано товаров: 42