Запчасти Komatsu WA500-6 H-A ГИДР. НАСОС. РУЛЕВ. УПРАВЛЕНИЕ (заводской номер A9-A9) (/) ГИДРАВЛИКА

Схема запчастей Komatsu WA500-6 - H-A ГИДР. НАСОС. РУЛЕВ. УПРАВЛЕНИЕ (заводской номер A9-A9) (/) ГИДРАВЛИКА
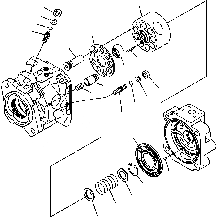
1
16
15
14
9
13
10
8
7
11
16
12
15
14
13
2
3
6
4
5
4
FIT
1:1
100%

Артикул

Название

Примечание

Количество

|$0

PUMP ASSEMBLY (SEE FIG. H0210-05A0)

SN: A93001-A93035-UP

-1шт.

|$1

PUMP SUBASSEMBLY (SEE FIG. H0210-05A0)

SN: A93001-A93035-UP

1шт.

1

708-1W-43310

BLOCK, CYLINDER

SN: A93001-A93035-UP

1шт.

2

708-1W-43620

PLATE, VALVE

SN: A93001-A93035-UP

1шт.

3

720-68-19610

PIN

SN: A93001-A93035-UP

1шт.

4

708-1W-43130

SEAT

SN: A93001-A93035-UP

2шт.

5

708-1W-43140

SPRING

SN: A93001-A93035-UP

1шт.

6

04065-04818

RING, SNAP

SN: A93001-A93035-UP

1шт.

7

708-1W-43350

GUIDE, RETAINER

SN: A93001-A93035-UP

1шт.

8

708-3T-13360

PIN

SN: A93001-A93035-UP

3шт.

9

708-1W-43341

RETAINER, SHOE

SN: A93001-A93035-UP

1шт.

10

708-1U-13310

PISTON

SN: A93001-A93035-UP

9шт.

11

708-1W-44130

PISTON

SN: A93008-A93035-UP

1шт.

11

708-1W-44120

PISTON

SN: A93001-A93007-UP

1шт.

12

708-3T-14120

SPRING

SN: A93001-A93035-UP

1шт.

13

708-1U-14240

SCREW

SN: A93001-A93035-UP

2шт.

14

07000-12011

O-RING

SN: A93001-A93035-UP

2шт.

15

01643-31232

WASHER

SN: A93001-A93035-UP

2шт.

16

01582-11210

NUT

SN: A93001-A93035-UP

2шт.

|$19

19

-1шт.

|$20

F1 - THIS PART IS SUPPLIED AS PART OF THE ASSEMBLY. HOWEVER, IT IS AVAILABLE AS AN INDIVIDUAL PART TO AUTHORIZED DISTRIBUTORS ONLY.

20

-1шт.

Выбрано товаров: 21