Запчасти Komatsu WA500-6 H-A ГИДР. НАСОС. ВЕНТИЛЯТОР (/) ГИДРАВЛИКА

Схема запчастей Komatsu WA500-6 - H-A ГИДР. НАСОС. ВЕНТИЛЯТОР (/) ГИДРАВЛИКА
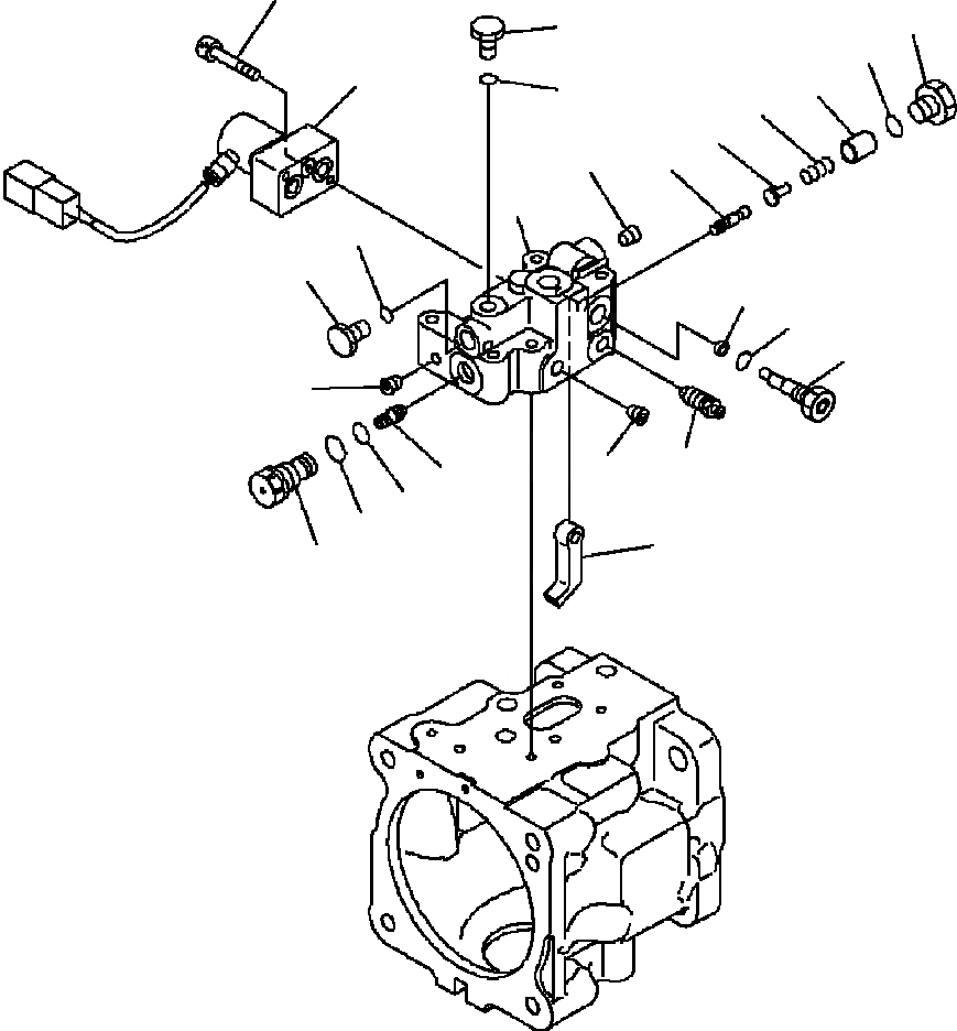
21
18
10
11
20
13
19
9
8
7
2
1
19
18
14
16
15
2
17
2
3
6
5
12
4
FIT
1:1
100%

Артикул

Название

Примечание

Количество

|$0

PUMP ASSEMBLY (SEE FIG. H0210-06A0)

SN: A93001--UP

-1шт.

|$1

708-1S-03360

VALVE ASSEMBLY

SN: A93001--UP

1шт.

|$2

708-1S-03920

BODY SUBASSEMBLY

SN: A93001--UP

1шт.

1

NSS

BODY, VALVE

SN: A93001--UP

1шт.

2

708-21-12541

PLUG

SN: A93001--UP

3шт.

3

708-1S-15420

PISTON

SN: A93001--UP

1шт.

4

708-1S-15430

SLEEVE

SN: A93001--UP

1шт.

5

07002-21623

O-RING

SN: A93001--UP

1шт.

6

07000-B1010

O-RING

SN: A93001--UP

1шт.

7

708-1S-15470

SPOOL

SN: A93001--UP

1шт.

8

708-1S-15240

SEAT

SN: A93001--UP

1шт.

9

708-1S-15441

SPRING

SN: A93001--UP

1шт.

10

723-56-31630

PLUG

SN: A93001--UP

1шт.

11

07002-21623

O-RING

SN: A93001--UP

1шт.

12

708-1S-15270

LEVER

SN: A93001--UP

1шт.

13

708-1S-15480

RETAINER

SN: A93001--UP

1шт.

14

708-1S-15280

SPACER

SN: A93001--UP

1шт.

15

708-1S-15260

PLUG

SN: A93001--UP

1шт.

16

07002-21023

O-RING

SN: A93001--UP

1шт.

17

708-1W-43710

BLEEDER

SN: A93001--UP

1шт.

18

07040-11007

PLUG

SN: A93001--UP

2шт.

19

07002-21023

O-RING

SN: A93001--UP

2шт.

20

702-21-57700

VALVE, PILOT

SN: A93001--UP

1шт.

21

01252-60635

BOLT, SOCKET HEAD

SN: A93001--UP

2шт.

|$24

24

-1шт.

|$25

F1 - THIS PART IS SUPPLIED AS PART OF THE ASSEMBLY. HOWEVER, IT IS AVAILABLE AS AN INDIVIDUAL PART TO AUTHORIZED DISTRIBUTORS ONLY.

25

-1шт.

Выбрано товаров: 26