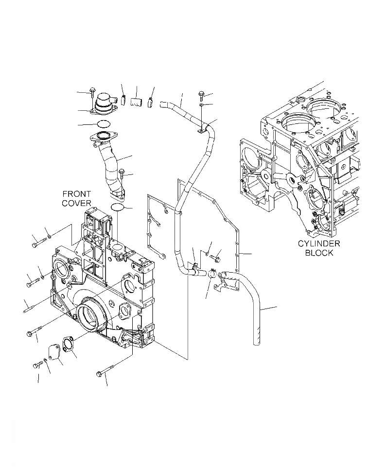
Запчасти Komatsu WA500-6 A-AK ПЕРЕДН. КРЫШКАКРЕПЛЕНИЕ И САПУН ДВИГАТЕЛЬ

Схема запчастей Komatsu WA500-6 - A-AK ПЕРЕДН. КРЫШКАКРЕПЛЕНИЕ И САПУН ДВИГАТЕЛЬ
7
6
7
8
10
2
12
1
9
3
4
5
3
21
22
13
9
11
19
21
20
18
15
14
24
17
16
25
26
23
FIT
1:1
100%

Артикул

Название

Примечание

Количество

1

6212-25-8710

BREATHER

1шт.

2

01435-01025

BOLT

2шт.

3

07000-72060

O-RING

2шт.

4

6261-21-8610

CONNECTOR

1шт.

5

01435-01035

BOLT

2шт.

6

6141-64-7841

HOSE

1шт.

7

07281-00419

CLAMP

2шт.

8

6261-21-8780

TUBE, BREATHER

1шт.

9

154-04-12420

CLAMP

2шт.

10

01435-01020

BOLT

1шт.

11

01435-01225

BOLT

1шт.

12

01643-31032

WASHER

1шт.

13

01643-31232

WASHER

1шт.

14

07287-02611

HOSE

1шт.

15

07285-00280

CLIP

1шт.

16

6251-21-3211

PLATE

1шт.

17

6251-21-3231

GASKET

1шт.

18

6210-22-3910

POINTER

1шт.

19

6217-21-3251

GASKET

1шт.

20

01010-81275

BOLT

1шт.

21

01643-31232

WASHER

8шт.

22

01010-81290

BOLT

7шт.

23

01436-01010

BOLT

1шт.

24

01435-01090

BOLT

3шт.

25

6251-21-3250

GASKET

2шт.

26

01050-51225

BOLT

2шт.

Выбрано товаров: 0