Запчасти Komatsu WA500-6 H-B ГИДРОЛИНИЯ ГИДР. БАК. ТРУБЫ (С ЭКСТРЕНН. УПРАВЛ.) (/) ГИДРАВЛИКА

Схема запчастей Komatsu WA500-6 - H-B ГИДРОЛИНИЯ ГИДР. БАК. ТРУБЫ (С ЭКСТРЕНН. УПРАВЛ.) (/) ГИДРАВЛИКА
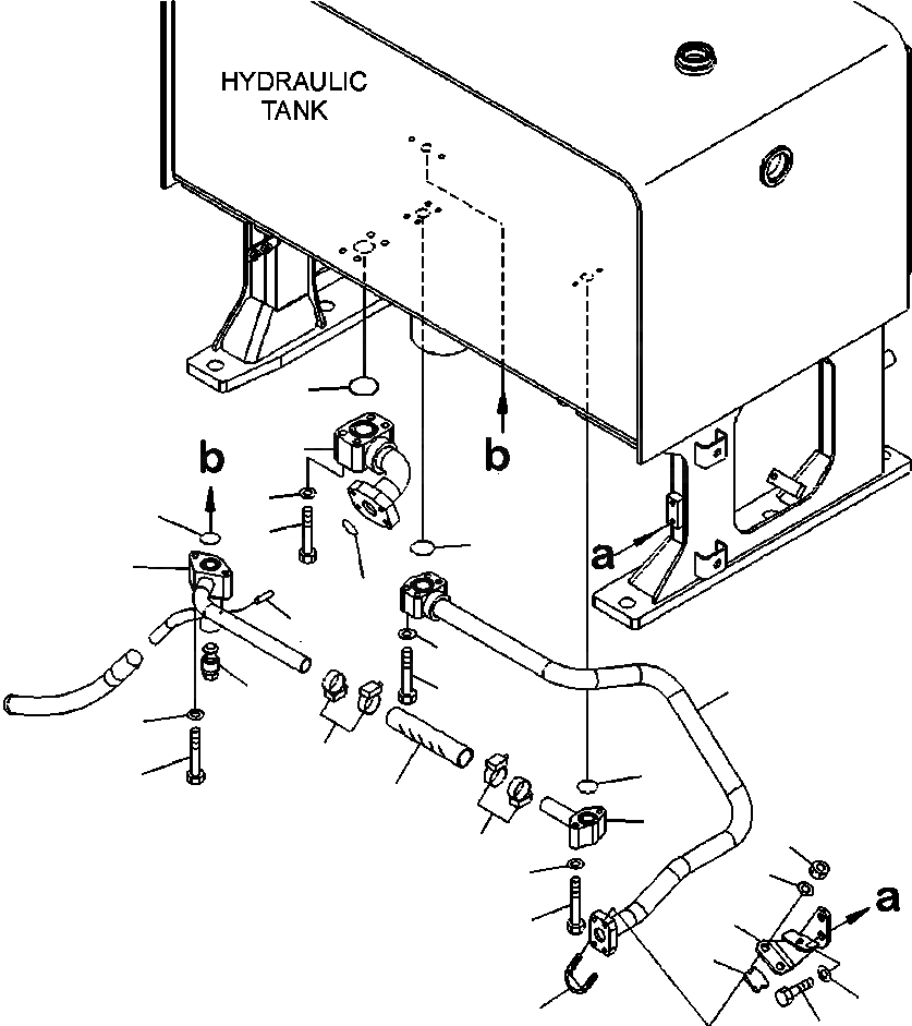
26
24
28
8
14
27
7
25
12
16
13
15
11
10
6
2
9
5
1
22
6
23
4
17
3
20
19
21
18
FIT
1:1
100%

Артикул

Название

Примечание

Количество

1

425-60-35561

TUBE

SN: A93001--UP

1шт.

2

07000-B3028

O-RING

SN: A93001--UP

1шт.

3

01010-81060

BOLT

SN: A93001--UP

2шт.

4

01643-31032

WASHER

SN: A93001--UP

2шт.

5

07260-22618

HOSE

SN: A93001--UP

1шт.

6

07289-00045

CLAMP, HOSE

SN: A93001--UP

4шт.

7

425-60-35552

TUBE

SN: A93001--UP

1шт.

8

07000-B3028

O-RING

SN: A93001--UP

1шт.

9

01010-81065

BOLT

SN: A93001--UP

2шт.

10

01643-31032

WASHER

SN: A93001--UP

2шт.

11

419-60-35220

PLUG, DRAIN

SN: A93001--UP

1шт.

12

04020-00514

PIN, DOWEL

SN: A93001--UP

1шт.

13

425-60-35512

TUBE

SN: A93001--UP

1шт.

14

07000-B3035

O-RING

SN: A93001--UP

1шт.

15

07372-21060

BOLT

SN: A93001--UP

4шт.

16

01643-51032

WASHER

SN: A93001--UP

4шт.

17

425-60-35522

BRACKET

SN: A93001--UP

1шт.

18

01010-81025

BOLT

SN: A93001--UP

2шт.

19

01643-31032

WASHER

SN: A93001--UP

2шт.

20

07283-53444

SEAT

SN: A93001--UP

1шт.

21

07283-33450

U-BOLT

SN: A93001--UP

1шт.

22

01597-01009

NUT

SN: A93001--UP

2шт.

23

01643-31032

WASHER

SN: A93001--UP

2шт.

24

425-60-35532

TUBE

SN: A93001--UP

1шт.

25

02896-61008

O-RING

SN: A93001--UP

1шт.

26

07000-B3045

O-RING

SN: A93001--UP

1шт.

27

01010-81275

BOLT

SN: A93001--UP

4шт.

28

01643-31232

WASHER

SN: A93001--UP

4шт.

Выбрано товаров: 28