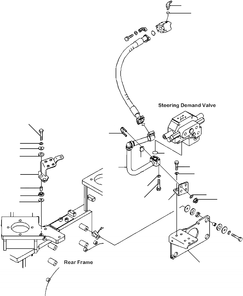
Запчасти Komatsu WA500-6 H-A ГИДРОЛИНИЯ (РУЛЕВ. УПРАВЛЕНИЕ) ЗАПРАШИВАЮЩ. КЛАПАН ЛИНИЯ ГИДРАВЛИКА

Схема запчастей Komatsu WA500-6 - H-A ГИДРОЛИНИЯ (РУЛЕВ. УПРАВЛЕНИЕ) ЗАПРАШИВАЮЩ. КЛАПАН ЛИНИЯ ГИДРАВЛИКА
19
20
10
16
11
9
2
8
15
13
1
14
5
4
6
17
7
3
18
12
9
21
FIT
1:1
100%

Артикул

Название

Примечание

Количество

1

425-62-31212

TUBE

SN: A93001--UP

1шт.

2

07000-B3035

O-RING

SN: A93001--UP

1шт.

3

01010-81060

BOLT

SN: A93001--UP

4шт.

4

01643-31032

WASHER

SN: A93001--UP

4шт.

5

425-62-32380

BRACKET

SN: A93001--UP

1шт.

6

417-54-12260

SPACER

SN: A93001--UP

2шт.

7

419-43-17930

CUSHION

SN: A93001--UP

2шт.

8

417-62-13620

CUSHION

SN: A93001--UP

2шт.

9

419-43-17920

WASHER

SN: A93001--UP

4шт.

10

01010-81255

BOLT

SN: A93001--UP

2шт.

11

01643-31232

WASHER

SN: A93001--UP

2шт.

12

425-62-32470

BRACKET

SN: A93001--UP

1шт.

13

01010-81235

BOLT

SN: A93001--UP

2шт.

14

01643-31232

WASHER

SN: A93001--UP

2шт.

15

07283-53444

SEAT

SN: A93001--UP

2шт.

16

07283-33450

U-BOLT

SN: A93001--UP

2шт.

17

01643-31032

WASHER

SN: A93001--UP

4шт.

18

01597-01009

NUT

SN: A93001--UP

4шт.

19

02782-10311

ELBOW

SN: A93001--UP

1шт.

20

07002-61423

O-RING

SN: A93001--UP

1шт.

21

BRACKET (SEE FIG. H4410-09A0)

SN: A93001--UP

-1шт.

Выбрано товаров: 21