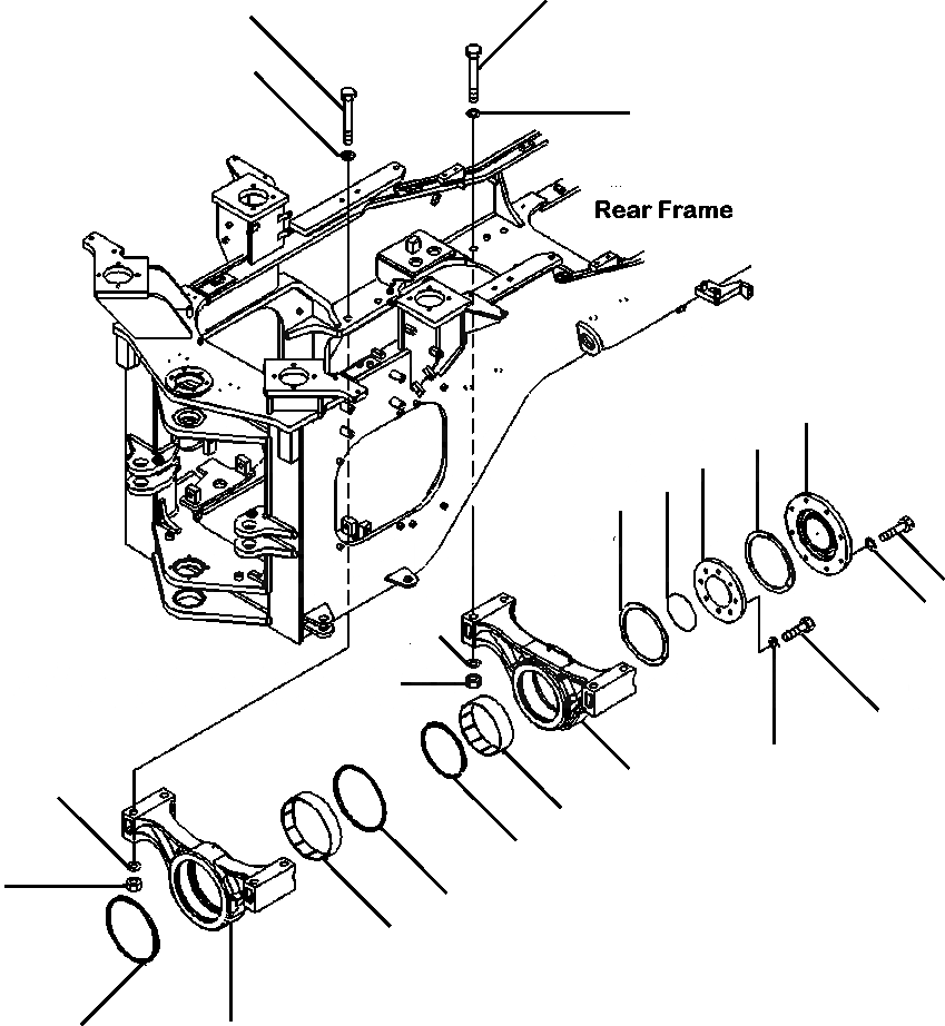
Запчасти Komatsu WA500-6 J-A ЗАДН. МОСТ ЗАДН. РАМА СУППОРТ ОСНОВНАЯ РАМА И ЕЕ ЧАСТИ

Схема запчастей Komatsu WA500-6 - J-A ЗАДН. МОСТ ЗАДН. РАМА СУППОРТ ОСНОВНАЯ РАМА И ЕЕ ЧАСТИ
15
15
17
17
11
7
8
14
7
12
17
13
16
9
10
4
17
5
6
16
3
2
3
1
FIT
1:1
100%

Артикул

Название

Примечание

Количество

1

425-46-32161

SUPPORT

SN: A93001--UP

1шт.

2

425-46-32220

BUSHING

SN: A93001--UP

1шт.

3

425-46-32350

PACKING

SN: A93001--UP

2шт.

4

425-46-32171

SUPPORT

SN: A93001--UP

1шт.

5

425-46-32230

BUSHING

SN: A93001--UP

1шт.

6

425-46-32360

PACKING

SN: A93001--UP

1шт.

7

425-46-32210

WASHER, THRUST

SN: A93001--UP

2шт.

8

425-46-32240

PLATE, THRUST

SN: A93001--UP

1шт.

9

01010-61675

BOLT

SN: A93001--UP

8шт.

10

01643-31645

WASHER

SN: A93001--UP

8шт.

11

425-46-12180

COVER

SN: A93001--UP

1шт.

12

01010-61655

BOLT

SN: A93001--UP

8шт.

13

01643-31645

WASHER

SN: A93001--UP

8шт.

14

708-8F-31610

O-RING

SN: A93001--UP

1шт.

15

425-46-12371

BOLT

SN: A93001--UP

8шт.

16

01580-03024

NUT

SN: A93001--UP

8шт.

17

01643-33080

WASHER

SN: A93001--UP

16шт.

Выбрано товаров: 17