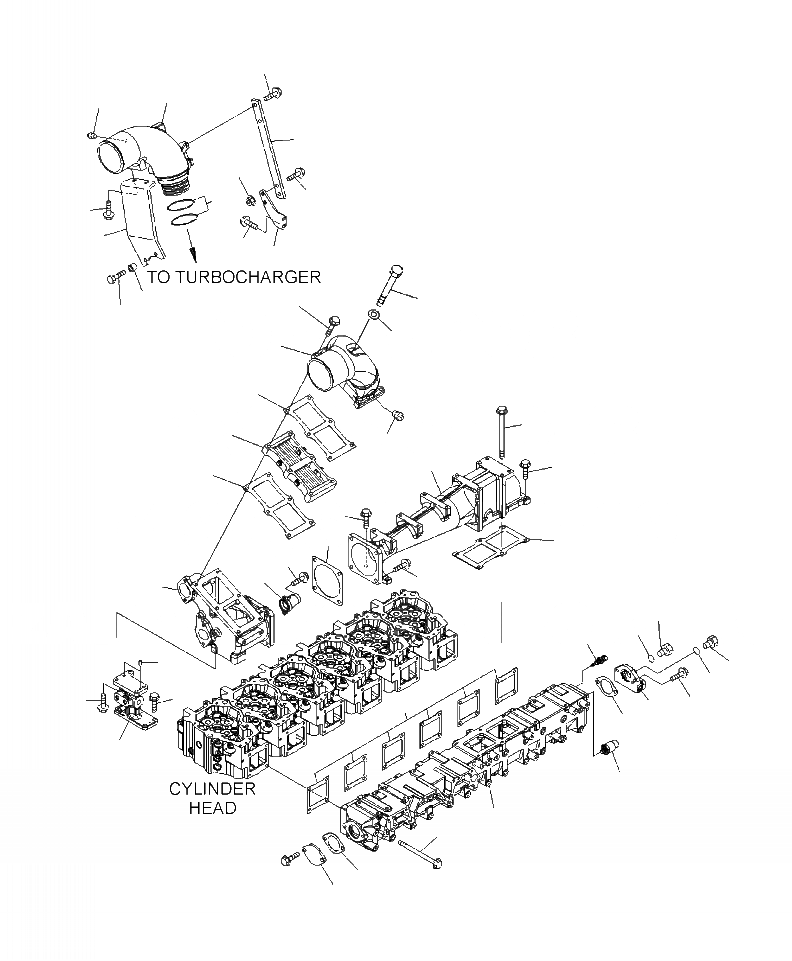
Запчасти Komatsu WA500-6 A-AK ТРУБОПРОВОД ВПУСКА ВОЗДУХА И СОЕДИН-Я ВОЗД. ТРУБОК ДВИГАТЕЛЬ

Схема запчастей Komatsu WA500-6 - A-AK ТРУБОПРОВОД ВПУСКА ВОЗДУХА И СОЕДИН-Я ВОЗД. ТРУБОК ДВИГАТЕЛЬ
33
26
36
30
34
35
33
33
28
32
29
8
27
7
31
43
6
5
23
4
9
18
21
5
20
19
17
16
15
22
10
42
41
25
14
42
41
12
13
1
40
39
37
11
24
2
3
37
38
FIT
1:1
100%

Артикул

Название

Примечание

Количество

1

6210-11-4811

GASKET

6шт.

2

6261-11-4111

MANIFOLD, AIR INTAKE

1шт.

3

01436-01070

BOLT

20шт.

3

01436-01070

BOLT

22шт.

4

600-815-4280

HEATER, RIBBON

1шт.

5

6211-11-4821

GASKET

2шт.

6

6261-11-4350

CONNECTOR

1шт.

7

01435-01070

BOLT

5шт.

8

01011-81090

BOLT

1шт.

8

01436-01090

BOLT

1шт.

9

07042-A0108

PLUG

1шт.

10

6261-11-7210

HOUSING, JUNCTION

1шт.

11

6261-11-7220

BRACKET

1шт.

12

01435-01025

BOLT

4шт.

13

01435-01030

BOLT

4шт.

14

04020-00820

PIN, DOWEL

2шт.

15

6261-11-2140

NOZZLE, VENTURI

1шт.

16

01437-10816

BOLT

2шт.

17

6211-11-4821

GASKET

1шт.

18

6261-11-7410

CONNECTOR

1шт.

19

6261-11-7450

GASKET

1шт.

20

01435-01030

BOLT

2шт.

21

01435-01035

BOLT

2шт.

22

01435-01235

BOLT

4шт.

23

01435-01080

BOLT

2шт.

23

01436-01080

BOLT

4шт.

24

6560-61-7202

SENSOR ASSEMBLY, BOOST PRESSURE

1шт.

N/I

6560-61-7211

SENSOR ASSEMBLY

1шт.

N/I

6216-54-6320

O-RING

1шт.

25

6560-61-7300

SENSOR ASSEMBLY, BOOST TEMPERATURE

1шт.

N/I

6560-61-7310

SENSOR

1шт.

N/I

6735-21-1930

O-RING

1шт.

26

6261-11-4420

CONNECTOR

1шт.

27

6631-11-5630

SPACER

2шт.

28

6261-11-4430

BRACKET

1шт.

29

6261-11-4750

BRACKET

1шт.

30

6261-11-4910

BRACKET

1шт.

31

01020-11040

BOLT

2шт.

32

01435-01025

BOLT

2шт.

33

01435-01030

BOLT

6шт.

34

01584-01008

NUT

2шт.

35

02895-77075

O-RING

2шт.

36

07042-A0108

PLUG

2шт.

37

6212-61-6662

GASKET

2шт.

38

6215-61-6670

PLATE

1шт.

39

6261-11-4170

BLOCK

1шт.

39

6261-11-4130

BLOCK

1шт.

40

01435-01030

BOLT

1шт.

41

07002-21423

O-RING

2шт.

41

07002-21423

O-RING

1шт.

42

07040-11409

PLUG

2шт.

42

07040-11409

PLUG

1шт.

43

01643-31032

WASHER

1шт.

|$53

53

-1шт.

|$54

F8 - SERIAL NUMBER 530001 - 532404

54

-1шт.

Выбрано товаров: 55