Запчасти Komatsu WA500-6 K-A ТОРМОЗ. СИСТЕМА ОХЛАЖДЕНИЯ ЗАЩИТА ЗАДН. ВЕДУЩ. ВАЛА OPERATORXD S ОБСТАНОВКА И СИСТЕМА УПРАВЛЕНИЯ

Схема запчастей Komatsu WA500-6 - K-A ТОРМОЗ. СИСТЕМА ОХЛАЖДЕНИЯ ЗАЩИТА ЗАДН. ВЕДУЩ. ВАЛА OPERATORXD S ОБСТАНОВКА И СИСТЕМА УПРАВЛЕНИЯ
3
2
3
2
6
5
4
1
FIT
1:1
100%

Артикул

Название

Примечание

Количество

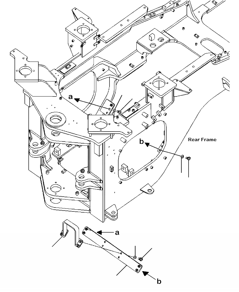
1

425-46-34510

GUARD

SN: A93001--UP

1шт.

2

01010-81645

BOLT

SN: A93001--UP

4шт.

3

01643-31645

WASHER

SN: A93001--UP

4шт.

4

425-46-34520

GUARD

SN: A93001--UP

1шт.

5

01010-81645

BOLT

SN: A93001--UP

4шт.

6

01643-31645

WASHER

SN: A93001--UP

4шт.

Выбрано товаров: 6