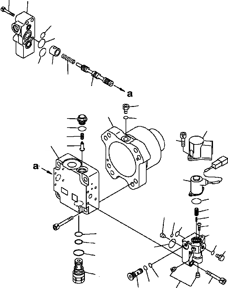
Запчасти Komatsu WA500-6 M-7A МОТОР ВЕНТИЛЯТОРА COMPLETE ASSEMBLY (/) ЧАСТИ КОРПУСА

Схема запчастей Komatsu WA500-6 - M-7A МОТОР ВЕНТИЛЯТОРА COMPLETE ASSEMBLY (/) ЧАСТИ КОРПУСА
16
12
15
14
11
13
10
9
2
1
7
31
8
6
23
4
5
17
18
20
30
21
26
24
25
37
19
29
38
28
27
39
36
34
33
35
32
22
3
FIT
1:1
100%

Артикул

Название

Примечание

Количество

|$0

708-7T-00710

MOTOR ASSEMBLY

SN: A93001--UP

1шт.

1

708-7T-11350

CASE

SN: A93001--UP

1шт.

2

07040-11007

PLUG

SN: A93001--UP

1шт.

3

07002-21023

O-RING

SN: A93001--UP

1шт.

|$4

708-7T-01390

COVER SUBASSEMBLY

SN: A93001--UP

1шт.

4

NSS

COVER, END

SN: A93001--UP

1шт.

5

708-7R-11210

VALVE

SN: A93001--UP

1шт.

6

722-10-91130

SPRING

SN: A93001--UP

1шт.

7

709-32-12861

PLUG

SN: A93001--UP

1шт.

8

07002-21823

O-RING

SN: A93001--UP

1шт.

9

NSS

SPOOL

SN: A93001--UP

1шт.

10

708-7S-18120

SPRING

SN: A93001--UP

1шт.

11

708-7S-18310

SPACER

SN: A93001--UP

1шт.

12

708-7S-18320

COVER

SN: A93001--UP

1шт.

13

07000-E2020

O-RING

SN: A93001--UP

1шт.

14

07000-E2025

O-RING

SN: A93001--UP

1шт.

15

07000-E2012

O-RING

SN: A93001--UP

1шт.

16

01252-60845

BOLT, SOCKET HEAD

SN: A93001--UP

4шт.

|$18

708-7S-01330

VALVE ASSEMBLY, PILOT

SN: A93001--UP

1шт.

17

702-21-56241

SOLENOID

SN: A93001--UP

1шт.

18

702-21-55870

O-RING

SN: A93001--UP

1шт.

19

NSS

CASE

SN: A93001--UP

1шт.

20

NSS

SPOOL

SN: A93001--UP

1шт.

21

708-7R-18270

SPRING

SN: A93001--UP

1шт.

22

708-21-12541

PLUG

SN: A93001--UP

2шт.

23

01252-60616

BOLT, SOCKET HEAD

SN: A93001--UP

2шт.

24

708-7S-18360

O-RING

SN: A93001--UP

1шт.

25

702-21-54180

SCREW

SN: A93001--UP

2шт.

26

07000-F1008

O-RING

SN: A93001--UP

1шт.

27

708-7S-18230

O-RING

SN: A93001--UP

1шт.

28

07040-11007

PLUG

SN: A93001--UP

1шт.

29

07002-21023

O-RING

SN: A93001--UP

1шт.

30

708-2L-29460

ORIFICE

SN: A93001--UP

1шт.

31

708-1S-18180

COVER

SN: A93001--UP

1шт.

32

708-7R-18230

FILTER

SN: A93001--UP

1шт.

33

07002-21423

O-RING

SN: A93001--UP

1шт.

34

07000-F1009

O-RING

SN: A93001--UP

1шт.

35

01252-60835

BOLT, SOCKET HEAD

SN: A93001--UP

4шт.

36

708-7T-02340

VALVE ASSEMBLY, RELIEF

SN: A93001--UP

1шт.

37

07000-F2016

O-RING

SN: A93001--UP

1шт.

38

07001-02016

RING, BACK-UP

SN: A93001--UP

1шт.

39

07002-22434

O-RING

SN: A93001--UP

1шт.

Выбрано товаров: 42