Запчасти Komatsu WA500-6 A-AJ АНТИКОРРОЗ. ЭЛЕМЕНТ ДВИГАТЕЛЬ

Схема запчастей Komatsu WA500-6 - A-AJ АНТИКОРРОЗ. ЭЛЕМЕНТ ДВИГАТЕЛЬ
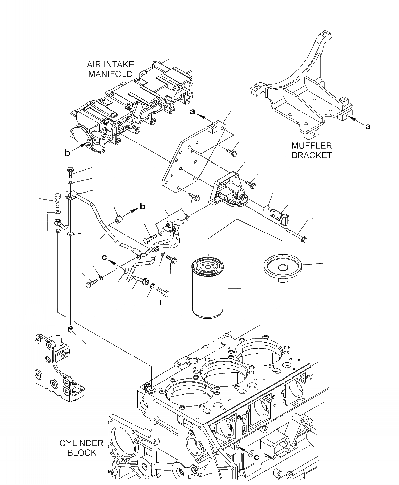
19
11
4
16
5
13
1
9
12
2
8
17
9
8
3
6
5
15
3
5
10
8
14
7
8
9
20
19
18
FIT
1:1
100%

Артикул

Название

Примечание

Количество

1

6215-71-4940

CLAMP

3шт.

2

6631-11-5630

SPACER

1шт.

3

01435-01045

BOLT

1шт.

4

01435-01020

BOLT

1шт.

5

01643-31032

WASHER

3шт.

6

6261-61-8330

TUBE, OUTLET

1шт.

7

6261-61-8320

TUBE, INLET

1шт.

8

07005-01412

GASKET

8шт.

9

07206-31014

BOLT, JOINT

4шт.

10

01435-01035

BOLT

1шт.

|$10

6217-61-8160

RESISTOR ASSEMBLY

1шт.

|$11

6217-61-8231

HEAD ASSEMBLY

1шт.

11

6217-61-8211

HEAD, CORROSION

1шт.

12

6217-61-8221

VALVE, CROSS

1шт.

13

07000-A2021

O-RING

1шт.

14

600-411-1171

CARTRIDGE

1шт.

|$23

OR

16

-1шт.

15

600-411-9000

COVER

1шт.

16

01435-01035

BOLT

4шт.

17

01436-01000

BOLT

1шт.

18

6261-61-8310

BRACKET

1шт.

19

01435-01025

BOLT

4шт.

20

6631-11-6390

SPACER

1шт.

|$24

23

-1шт.

|$25

F2 - COVER IS USED IN PLACE OF CORROSION RESISTOR WHEN USING RECOMMENDED KOMATSU SUPERCOOLANT.

25

-1шт.

|$26

F2 - COVER IS USED IN PLACE OF CORROSION RESISTOR WHEN USING RECOMMENDED KOMATSU SUPERCOOLANT.

25

-1шт.

Выбрано товаров: 26