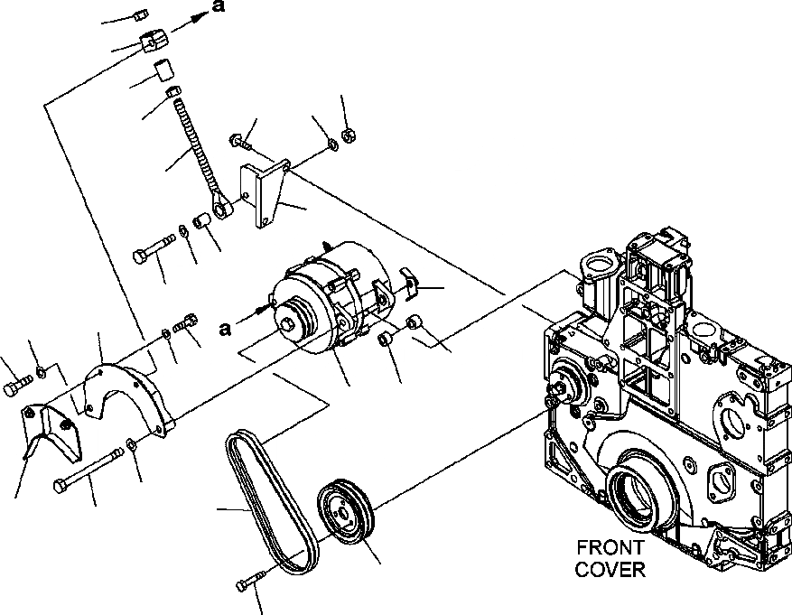
Запчасти Komatsu WA500-6 A-AM КРЕПЛЕНИЕ ГЕНЕРАТОРА - 7 AMP С NON-HARDENED ШКИВ ДВИГАТЕЛЬ

Схема запчастей Komatsu WA500-6 - A-AM КРЕПЛЕНИЕ ГЕНЕРАТОРА - 7 AMP С NON-HARDENED ШКИВ ДВИГАТЕЛЬ
14
8
11
13
12
16
14
7
15
9
12
3
10
19
18
17
21
6
22
5
1
4
23
20
2
24
25
FIT
1:1
100%

Артикул

Название

Примечание

Количество

1

ALTERNATOR ASSEMBLY - 75 AMP (SEE FIG. A6010-B4M4)

-1шт.

2

6732-81-6840

BOLT

1шт.

3

6261-81-6890

BRACKET

1шт.

4

01640-21323

WASHER

1шт.

5

6210-81-6750

SPACER

1шт.

6

6217-81-6550

SPACER

1шт.

7

6240-81-8611

ROD, ADJUSTING

1шт.

8

6261-81-8340

PLATE

1шт.

9

6215-81-6150

PIN

1шт.

10

01010-81260

BOLT

1шт.

11

01580-11210

NUT

1шт.

12

01643-31232

WASHER

2шт.

13

6261-81-8350

SPACER

1шт.

14

01580-11613

NUT

2шт.

15

6210-82-6570

BRACKET

1шт.

16

01435-01025

BOLT

2шт.

17

01050-51260

BOLT

1шт.

18

01643-31232

WASHER

1шт.

19

6261-81-6450

COVER, SAFETY

1шт.

20

6210-81-6361

COVER, SAFETY

1шт.

21

01050-51020

BOLT

2шт.

22

01640-21016

WASHER

2шт.

23

6210-81-6960

V-BELT SET

1шт.

24

6210-82-6850

PULLEY, NON-HARDENED

1шт.

25

01010-80820

BOLT

3шт.

Выбрано товаров: 25