Запчасти Komatsu WA500-6 ВЫПУСКНОЙ КОЛЛЕКТОР AA ДВИГАТЕЛЬ

Схема запчастей Komatsu WA500-6 - ВЫПУСКНОЙ КОЛЛЕКТОР AA ДВИГАТЕЛЬ
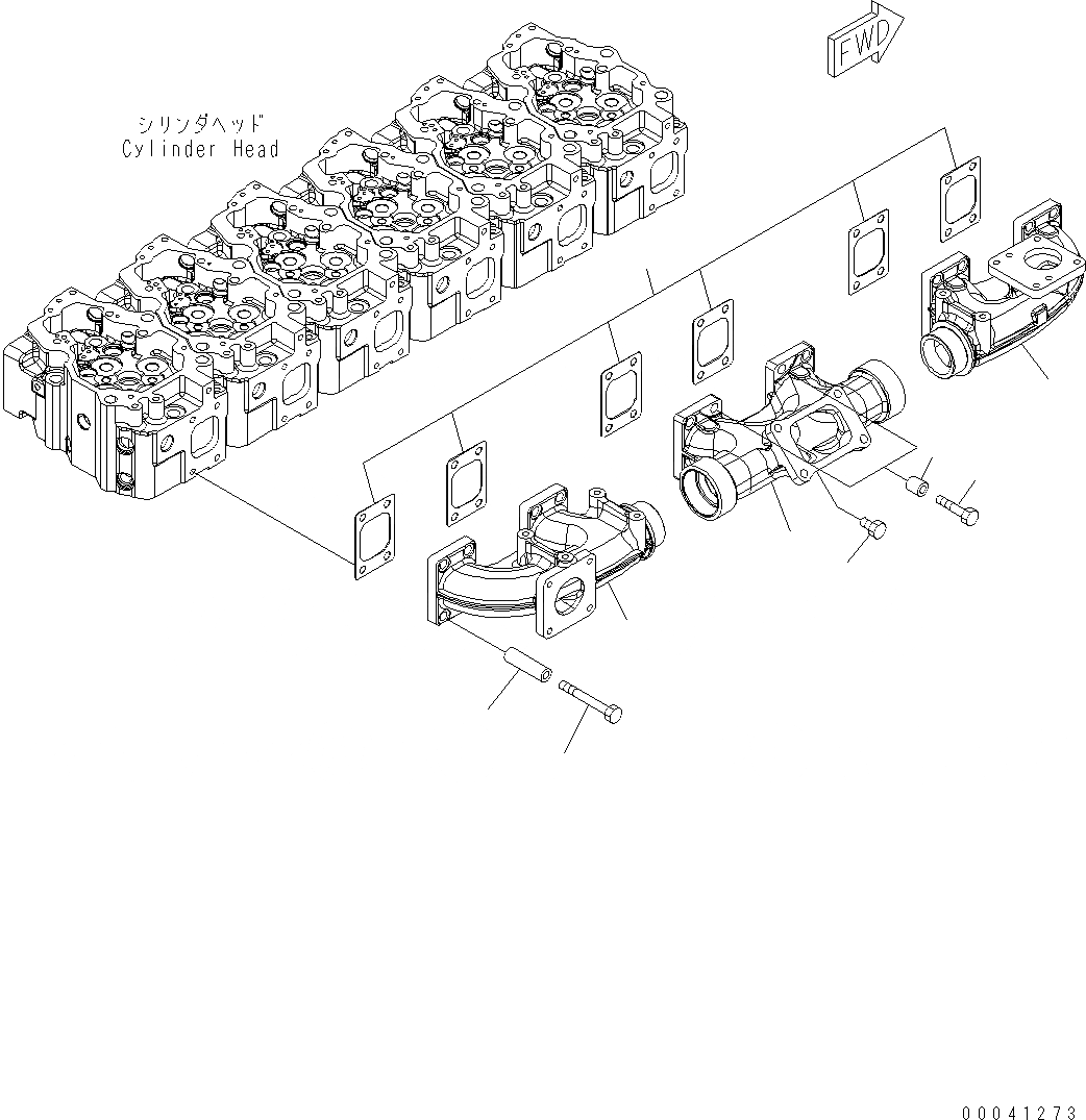
1
7
9
6
3
2
8
5
4
FIT
1:1
100%

Артикул

Название

Примечание

Количество

1

6136-11-5120

SPACER

SN: 530003-UP

22шт.

2

6210-11-5820

SPACER

SN: 530003-UP

2шт.

3

6215-11-5920

PLUG

SN: 530003-UP

2шт.

4

6261-11-5880

GASKET

SN: 530003-UP

6шт.

5

6261-11-5110

MANIFOLD, FRONT

SN: 530003-UP

1шт.

6

6261-11-5120

MANIFOLD, CENTER

SN: 530003-UP

1шт.

7

6261-11-5130

MANIFOLD, REAR

SN: 530003-UP

1шт.

8

01010-E1055

BOLT

SN: 530003-UP

2шт.

9

01011-E1000

BOLT

SN: 530003-UP

22шт.

Выбрано товаров: 9