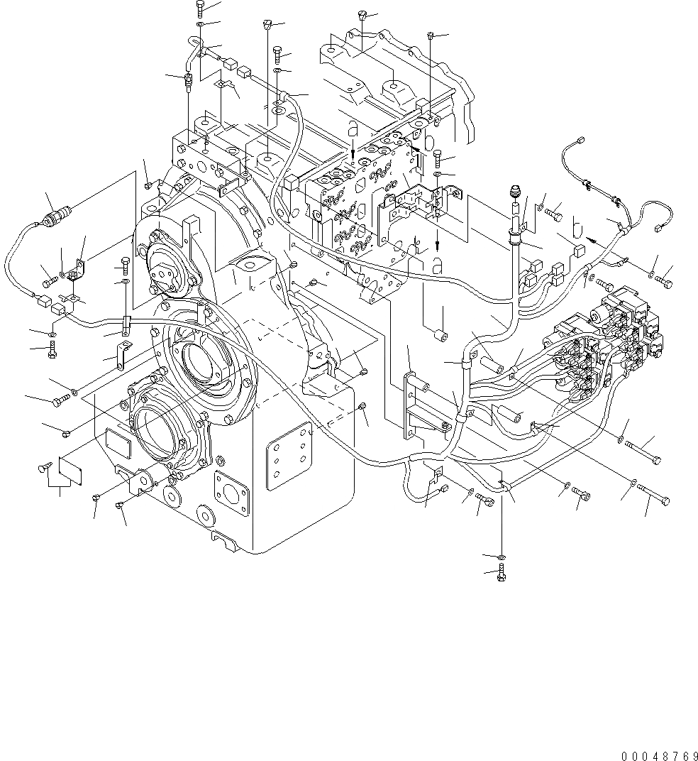
Запчасти Komatsu WA500-6 ТРАНСМИССИЯ (Э/ПРОВОДКА) F POWER TRANSMITTING СИСТЕМА

Схема запчастей Komatsu WA500-6 - ТРАНСМИССИЯ (Э/ПРОВОДКА) F POWER TRANSMITTING СИСТЕМА
40
41
38
31
39
49
33
50
23
24
22
50
47
40
41
28
30
29
44
45
37
36
35
27
25
43
49
26
49
47
48
8
19
14
1
17
34
13
3
6
5
2
4
42
42
14
18
12
49
11
9
10
32
21
20
24
23
22
21
20
16
15
47
46
49
7
FIT
1:1
100%

Артикул

Название

Примечание

Количество

|$1

425-15-31001

TRANSMISSION ASSEMBLY

SN: H60358-UP

1шт.

|$2

0

TRANSMISSION ASSEMBLY

SN: H60051-H60357

1шт.

1

425-15-36812

WIRING HARNESS

SN: H60051-UP

1шт.

2

21J-06-13661

DIODE

SN: H60051-UP

1шт.

3

04434-52511

CLIP

SN: H60051-UP

1шт.

4

07095-20318

CUSHION

SN: H60051-UP

1шт.

5

01010-81020

BOLT

SN: H60051-UP

1шт.

6

01643-31032

WASHER

SN: H60051-UP

1шт.

7

425-15-36832

BRACKET

SN: H60051-UP

1шт.

8

144-874-7470

BOSS

SN: H60051-UP

1шт.

9

01010-81020

BOLT

SN: H60051-UP

1шт.

10

01643-31032

WASHER

SN: H60051-UP

1шт.

11

01011-81010

BOLT

SN: H60051-UP

1шт.

12

01643-31032

WASHER

SN: H60051-UP

1шт.

13

600-051-2100

CLIP

SN: H60051-UP

1шт.

14

175-61-17240

COLLAR

SN: H60051-UP

2шт.

15

01010-81080

BOLT

SN: H60051-UP

1шт.

16

01643-31032

WASHER

SN: H60051-UP

1шт.

17

600-051-2180

CLIP

SN: H60051-UP

1шт.

18

600-051-2100

CLIP

SN: H60051-UP

1шт.

19

425-15-36841

BRACKET

SN: H60051-UP

1шт.

20

01252-71025

BOLT

SN: H60051-UP

2шт.

21

01643-31032

WASHER

SN: H60051-UP

2шт.

22

600-051-2100

CLIP

SN: H60051-UP

2шт.

23

01010-81020

BOLT

SN: H60051-UP

2шт.

24

01643-31032

WASHER

SN: H60051-UP

2шт.

25

417-S62-2460

PLATE

SN: H60051-UP

1шт.

26

01010-81020

BOLT

SN: H60051-UP

1шт.

27

01643-31032

WASHER

SN: H60051-UP

1шт.

28

42A-16-11210

PLATE

SN: H60051-UP

1шт.

29

01010-81020

BOLT

SN: H60051-UP

1шт.

30

01643-31032

WASHER

SN: H60051-UP

1шт.

31

7861-93-3320

SENSOR, TEMPERATURE

SN: H60051-UP

1шт.

32

08193-20010

CLIP

SN: H60051-UP

1шт.

33

7861-93-2330

SENSOR

SN: H60051-UP

1шт.

34

600-051-2140

CLIP

SN: H60051-UP

1шт.

35

01010-81020

BOLT

SN: H60051-UP

2шт.

36

01643-31032

WASHER

SN: H60051-UP

2шт.

37

08193-20010

CLIP

SN: H60051-UP

1шт.

38

600-051-2050

CLIP

SN: H60051-UP

1шт.

39

08193-20010

CLIP

SN: H60051-UP

1шт.

40

01010-81020

BOLT

SN: H60051-UP

2шт.

41

01643-31032

WASHER

SN: H60051-UP

2шт.

42

600-051-2140

CLIP

SN: H60051-UP

2шт.

43

600-051-2100

CLIP

SN: H60051-UP

1шт.

44

01010-81020

BOLT

SN: H60051-UP

1шт.

45

01643-31032

WASHER

SN: H60051-UP

1шт.

46

0

PLATE, NAME (LIMITED SUPPLY)

SN: H60051-UP

1шт.

|$49

04418-13060

SCREW

SN: H60051-UP

4шт.

47

07049-01012

PLUG

SN: H60051-UP

6шт.

48

07049-01620

PLUG

SN: H60051-UP

2шт.

49

07049-01215

PLUG

SN: H60051-UP

10шт.

50

07049-02430

PLUG

SN: H60051-UP

4шт.

Выбрано товаров: 53