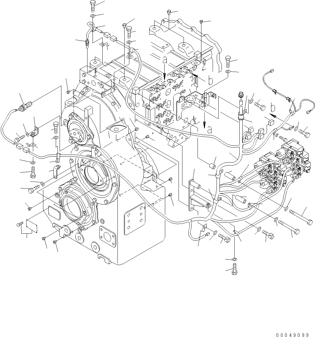
Запчасти Komatsu WA500-6 ТРАНСМИССИЯ (Э/ПРОВОДКА) (С БЛОКИР.-UP) F POWER TRANSMITTING СИСТЕМА

Схема запчастей Komatsu WA500-6 - ТРАНСМИССИЯ (Э/ПРОВОДКА) (С БЛОКИР.-UP) F POWER TRANSMITTING СИСТЕМА
7
40
41
38
31
49
39
24
22
23
50
50
47
40
41
33
28
30
29
44
45
37
6
5
27
25
43
26
49
49
47
3
36
35
2
4
8
1
19
17
34
48
14
13
49
42
14
18
16
42
10
9
12
11
21
22
20
15
21
20
24
23
32
49
47
46
FIT
1:1
100%

Артикул

Название

Примечание

Количество

|$1

425-15-31011

TRANSMISSION ASSEMBLY, (WITH LOCK-UP)

SN: H60378-UP

1шт.

|$2

0

TRANSMISSION ASSEMBLY, (WITH LOCK-UP)

SN: H60051-H60377

1шт.

1

425-15-36823

WIRING HARNESS

SN: H60051-UP

1шт.

2

21J-06-13661

DIODE

SN: H60051-UP

1шт.

3

04434-52511

CLIP

SN: H60051-UP

1шт.

4

07095-20318

CUSHION

SN: H60051-UP

1шт.

5

01010-81020

BOLT

SN: H60051-UP

2шт.

6

01643-31032

WASHER

SN: H60051-UP

2шт.

7

425-15-36832

BRACKET

SN: H60051-UP

1шт.

8

144-874-7470

BOSS

SN: H60051-UP

1шт.

9

01010-81020

BOLT

SN: H60051-UP

1шт.

10

01643-31032

WASHER

SN: H60051-UP

1шт.

11

01011-81010

BOLT

SN: H60051-UP

1шт.

12

01643-31032

WASHER

SN: H60051-UP

1шт.

13

600-051-2100

CLIP

SN: H60051-UP

1шт.

14

175-61-17240

COLLAR

SN: H60051-UP

2шт.

15

01010-81080

BOLT

SN: H60051-UP

1шт.

16

01643-31032

WASHER

SN: H60051-UP

1шт.

17

600-051-2180

CLIP

SN: H60051-UP

1шт.

18

600-051-2100

CLIP

SN: H60051-UP

1шт.

19

425-15-36841

BRACKET

SN: H60051-UP

1шт.

20

01252-71025

BOLT

SN: H60051-UP

2шт.

21

01643-31032

WASHER

SN: H60051-UP

2шт.

22

600-051-2100

CLIP

SN: H60051-UP

2шт.

23

01010-81020

BOLT

SN: H60051-UP

2шт.

24

01643-31032

WASHER

SN: H60051-UP

2шт.

25

417-S62-2460

PLATE

SN: H60051-UP

1шт.

26

01010-81020

BOLT

SN: H60051-UP

1шт.

27

01643-31032

WASHER

SN: H60051-UP

1шт.

28

42A-16-11210

PLATE

SN: H60051-UP

1шт.

29

01010-81020

BOLT

SN: H60051-UP

1шт.

30

01643-31032

WASHER

SN: H60051-UP

1шт.

31

7861-93-3320

SENSOR, TEMPERATURE

SN: H60051-UP

1шт.

32

08193-20010

CLIP

SN: H60051-UP

1шт.

33

7861-93-2330

SENSOR

SN: H60051-UP

1шт.

34

600-051-2140

CLIP

SN: H60051-UP

1шт.

35

01010-81020

BOLT

SN: H60051-UP

1шт.

36

01643-31032

WASHER

SN: H60051-UP

1шт.

37

08193-20010

CLIP

SN: H60051-UP

1шт.

38

600-051-2050

CLIP

SN: H60051-UP

1шт.

39

08193-20010

CLIP

SN: H60051-UP

1шт.

40

01010-81020

BOLT

SN: H60051-UP

2шт.

41

01643-31032

WASHER

SN: H60051-UP

2шт.

42

600-051-2140

CLIP

SN: H60051-UP

2шт.

43

600-051-2100

CLIP

SN: H60051-UP

1шт.

44

01010-81020

BOLT

SN: H60051-UP

1шт.

45

01643-31032

WASHER

SN: H60051-UP

1шт.

46

0

PLATE, NAME (LIMITED SUPPLY)

SN: H60051-UP

1шт.

|$49

04418-13060

SCREW

SN: H60051-UP

4шт.

47

07049-01012

PLUG

SN: H60051-UP

6шт.

48

07049-01620

PLUG

SN: H60051-UP

2шт.

49

07049-01215

PLUG

SN: H60051-UP

10шт.

50

07049-02430

PLUG

SN: H60051-UP

4шт.

Выбрано товаров: 53