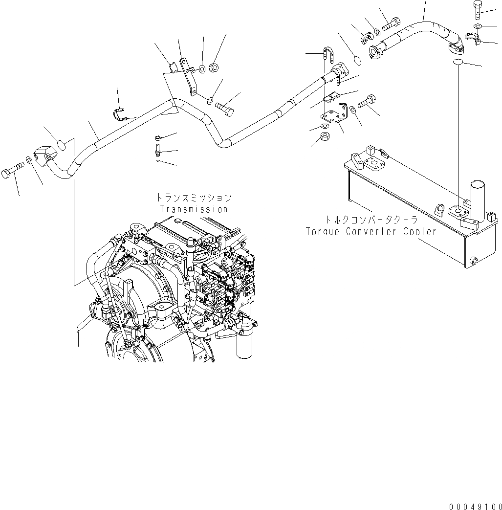
Запчасти Komatsu WA500-6 ГИДРОТРАНСФОРМАТОР И ТРАНСМИССИЯ ЛИНИЯ (МАСЛООХЛАДИТЕЛЬ ЛИНИЯ) (/) F POWER TRANSMITTING СИСТЕМА

Схема запчастей Komatsu WA500-6 - ГИДРОТРАНСФОРМАТОР И ТРАНСМИССИЯ ЛИНИЯ (МАСЛООХЛАДИТЕЛЬ ЛИНИЯ) (/) F POWER TRANSMITTING СИСТЕМА
4
5
3
2
1
7
8
9
6
18
18
17
15
16
14
20
19
17
26
27
24
23
25
21
22
10
11
30
28
29
13
12
FIT
1:1
100%

Артикул

Название

Примечание

Количество

1

07297-012A6

HOSE

SN: H60051-UP

1шт.

2

07000-A3038

O-RING

SN: H60051-UP

1шт.

3

07371-31255

FLANGE, SPLIT

SN: H60051-UP

2шт.

4

01252-71035

BOLT

SN: H60051-UP

4шт.

5

01643-51032

WASHER

SN: H60051-UP

4шт.

6

07000-A3038

O-RING

SN: H60051-UP

1шт.

7

01252-71035

BOLT

SN: H60051-UP

4шт.

8

01643-51032

WASHER

SN: H60051-UP

4шт.

9

07371-31255

FLANGE, SPLIT

SN: H60051-UP

2шт.

10

425-16-31391

TUBE

SN: H60051-UP

1шт.

11

07000-A3045

O-RING

SN: H60051-UP

1шт.

12

01010-81260

BOLT

SN: H60051-UP

2шт.

13

01643-31232

WASHER

SN: H60051-UP

2шт.

14

425-16-31411

PLATE

SN: H60051-UP

1шт.

15

01010-81020

BOLT

SN: H60051-UP

2шт.

16

01643-31032

WASHER

SN: H60051-UP

2шт.

17

07283-53444

SEAT

SN: H60051-UP

2шт.

18

07283-33450

CLIP, PIPE

SN: H60051-UP

2шт.

19

01643-31032

WASHER

SN: H60051-UP

4шт.

20

01597-01009

NUT

SN: H60051-UP

4шт.

21

07283-53444

SEAT

SN: H60051-UP

1шт.

22

07283-33450

CLIP, PIPE

SN: H60051-UP

1шт.

23

01643-31032

WASHER

SN: H60051-UP

2шт.

24

01597-01009

NUT

SN: H60051-UP

2шт.

25

425-16-31493

BRACKET

SN: H60051-UP

1шт.

26

01010-81025

BOLT

SN: H60051-UP

1шт.

27

01643-31032

WASHER

SN: H60051-UP

1шт.

28

425-60-35410

TUBE

SN: H60051-UP

1шт.

29

07002-61423

O-RING

SN: H60051-UP

1шт.

30

11Y-09-11140

CLIP

SN: H60051-UP

1шт.

Выбрано товаров: 0