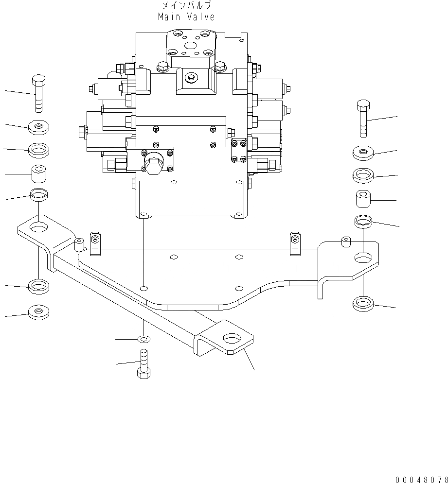
Запчасти Komatsu WA500-6 ОСН. ГИДРАВЛ. КЛАПАН (ЭЛЕМЕНТЫ КРЕПЛЕНИЯ) H ГИДРАВЛИКА

Схема запчастей Komatsu WA500-6 - ОСН. ГИДРАВЛ. КЛАПАН (ЭЛЕМЕНТЫ КРЕПЛЕНИЯ) H ГИДРАВЛИКА
7
5
3
6
4
3
8
1
2
5
3
4
6
3
5
7
FIT
1:1
100%

Артикул

Название

Примечание

Количество

1

01010-81645

BOLT

SN: H60051-UP

4шт.

2

01643-31645

WASHER

SN: H60051-UP

4шт.

3

428-62-14580

CUSHION

SN: H60051-UP

6шт.

4

428-62-14590

CUSHION

SN: H60051-UP

3шт.

5

428-62-14610

WASHER

SN: H60051-UP

5шт.

6

428-62-14570

SPACER

SN: H60051-UP

3шт.

7

01010-61675

BOLT

SN: H60051-UP

3шт.

8

425-62-33931

BRACKET

SN: H60051-UP

1шт.

Выбрано товаров: 8