Запчасти Komatsu WA500-6 ГИДРОЛИНИЯ (ВОЗВРАТ. ЛИНИЯ) H ГИДРАВЛИКА

Схема запчастей Komatsu WA500-6 - ГИДРОЛИНИЯ (ВОЗВРАТ. ЛИНИЯ) H ГИДРАВЛИКА
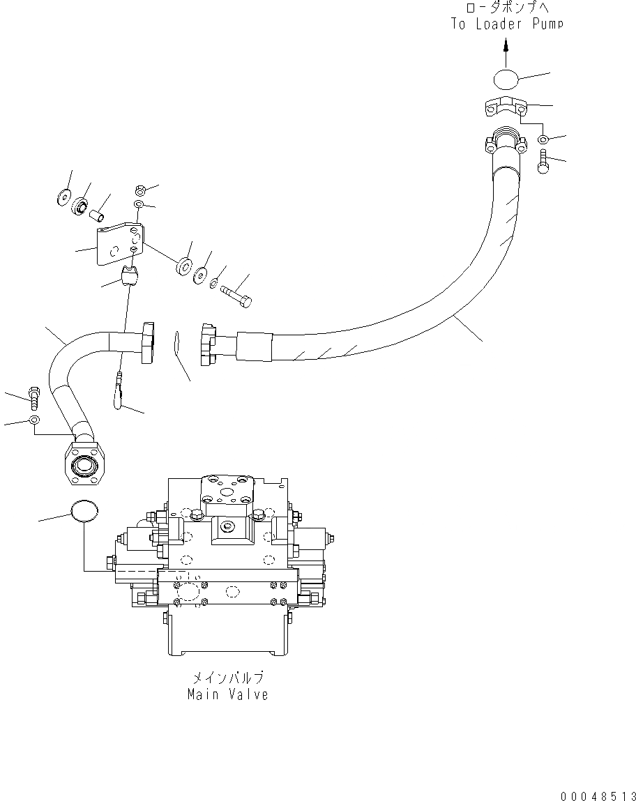
6
7
9
8
5
19
20
17
16
12
13
15
18
17
14
10
1
6
11
3
4
2
FIT
1:1
100%

Артикул

Название

Примечание

Количество

1

425-62-33881

TUBE

SN: H60051-UP

1шт.

2

07000-B2055

O-RING

SN: H60051-UP

1шт.

3

01252-71240

BOLT

SN: H60051-UP

4шт.

4

01643-51232

WASHER

SN: H60051-UP

4шт.

5

425-62-33282

HOSE

SN: H60051-UP

1шт.

6

07000-B3048

O-RING

SN: H60051-UP

2шт.

7

07371-31465

FLANGE, SPLIT

SN: H60051-UP

4шт.

8

01252-71240

BOLT

SN: H60051-UP

8шт.

9

01643-51232

WASHER

SN: H60051-UP

8шт.

10

07283-54353

SEAT

SN: H60051-UP

1шт.

11

07283-34354

CLIP

SN: H60051-UP

1шт.

12

01643-31032

WASHER

SN: H60051-UP

2шт.

13

01597-01009

NUT

SN: H60051-UP

2шт.

14

425-62-33981

PLATE

SN: H60051-UP

1шт.

15

417-54-12260

SPACER

SN: H60051-UP

2шт.

16

417-62-13620

CUSHION

SN: H60051-UP

2шт.

17

419-43-17920

WASHER

SN: H60051-UP

4шт.

18

419-43-17930

CUSHION

SN: H60051-UP

2шт.

19

01010-81255

BOLT

SN: H60051-UP

2шт.

20

01643-31232

WASHER

SN: H60051-UP

2шт.

Выбрано товаров: 0