Запчасти Komatsu WA500-6 ГИДРОЛИНИЯ (ГЛАВН. ЛИНИЯ) (/) H ГИДРАВЛИКА

Схема запчастей Komatsu WA500-6 - ГИДРОЛИНИЯ (ГЛАВН. ЛИНИЯ) (/) H ГИДРАВЛИКА
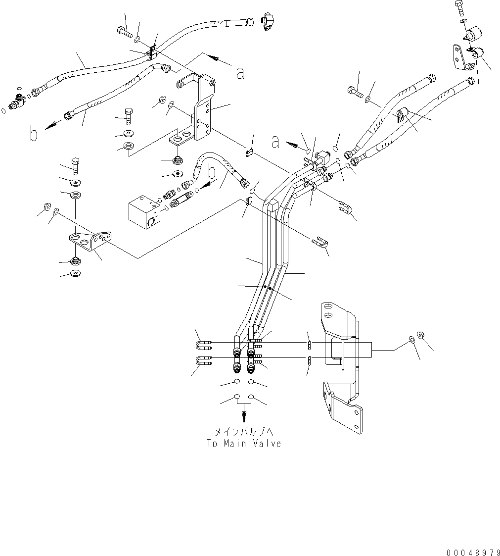
11
12
9
8
4
10
2
6
10
10
10
9
5
3
1
7
28
19
19
27
6
8
38
39
39
38
41
40
4
19
4
2
31
18
13
34
37
36
35
33
21
20
17
14
32
16
15
14
26
23
25
30
29
24
23
22
FIT
1:1
100%

Артикул

Название

Примечание

Количество

1

425-62-33522

TUBE

SN: H60051-UP

1шт.

2

02896-61009

O-RING

SN: H60051-UP

2шт.

3

425-62-33532

TUBE

SN: H60051-UP

1шт.

4

02896-61009

O-RING

SN: H60051-UP

3шт.

5

425-62-33541

TUBE

SN: H60051-UP

1шт.

6

02896-61009

O-RING

SN: H60051-UP

2шт.

7

425-62-33551

TUBE

SN: H60051-UP

1шт.

8

02896-61009

O-RING

SN: H60051-UP

2шт.

9

07283-51523

SEAT

SN: H60051-UP

4шт.

10

07283-31537

CLIP, PIPE

SN: H60051-UP

4шт.

11

01643-30823

WASHER

SN: H60051-UP

8шт.

12

01596-00807

NUT

SN: H60051-UP

8шт.

13

425-62-33562

BRACKET

SN: H60051-UP

1шт.

14

144-854-1890

WASHER

SN: H60051-UP

4шт.

15

421-62-23350

CUSHION

SN: H60051-UP

2шт.

16

421-62-23710

CUSHION

SN: H60051-UP

2шт.

17

01010-81035

BOLT

SN: H60051-UP

2шт.

18

07283-51523

SEAT

SN: H60051-UP

3шт.

19

07283-31537

CLIP, PIPE

SN: H60051-UP

3шт.

20

01643-30823

WASHER

SN: H60051-UP

6шт.

21

01596-00807

NUT

SN: H60051-UP

6шт.

22

425-62-33872

PLATE

SN: H60051-UP

1шт.

23

144-854-1890

WASHER

SN: H60051-UP

4шт.

24

421-62-23350

CUSHION

SN: H60051-UP

2шт.

25

421-62-23710

CUSHION

SN: H60051-UP

2шт.

26

01010-81035

BOLT

SN: H60051-UP

2шт.

27

07283-51523

SEAT

SN: H60051-UP

2шт.

28

07283-31537

CLIP, PIPE

SN: H60051-UP

2шт.

29

01643-30823

WASHER

SN: H60051-UP

4шт.

30

01596-00807

NUT

SN: H60051-UP

4шт.

31

425-62-33612

HOSE

SN: H60051-UP

1шт.

32

02761-00303

HOSE

SN: H60051-UP

1шт.

33

02754-00308

HOSE

SN: H60051-UP

1шт.

34

04434-52110

CLIP

SN: H60051-UP

1шт.

35

07095-20314

CUSHION

SN: H60051-UP

1шт.

36

01010-81025

BOLT

SN: H60051-UP

1шт.

37

01643-31032

WASHER

SN: H60051-UP

1шт.

38

04434-51910

CLIP

SN: H60051-UP

2шт.

39

07095-20213

CUSHION

SN: H60051-UP

2шт.

40

01010-81020

BOLT

SN: H60051-UP

1шт.

41

01643-31032

WASHER

SN: H60051-UP

1шт.

Выбрано товаров: 41