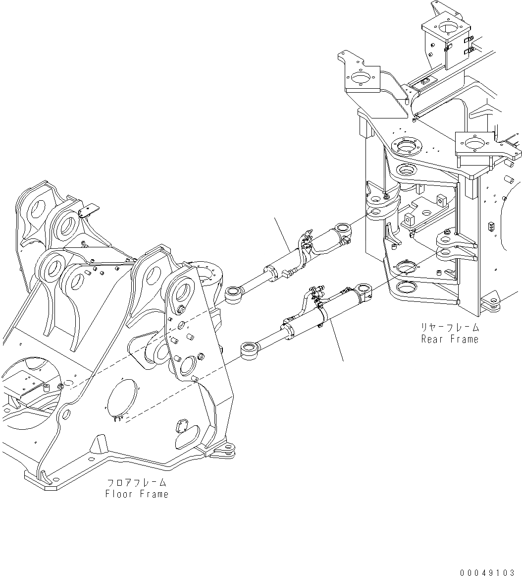
Запчасти Komatsu WA500-6 ЦИЛИНДР РУЛЕВ. УПР-Я J РАМА И ITS КОМПОНЕНТЫ

Схема запчастей Komatsu WA500-6 - ЦИЛИНДР РУЛЕВ. УПР-Я J РАМА И ITS КОМПОНЕНТЫ
1
2
FIT
1:1
100%

Артикул

Название

Примечание

Количество

1

707-00-XX441

CYLINDER GROUP, LHS

SN: H60362-UP

1шт.

|$2

707-00-XX440

CYLINDER GROUP, LHS

SN: H60051-H60361

1шт.

2

707-00-XX451

CYLINDER GROUP, RHS

SN: H60362-UP

1шт.

|$4

707-00-XX450

CYLINDER GROUP, RHS

SN: H60051-H60361

1шт.

Выбрано товаров: 4