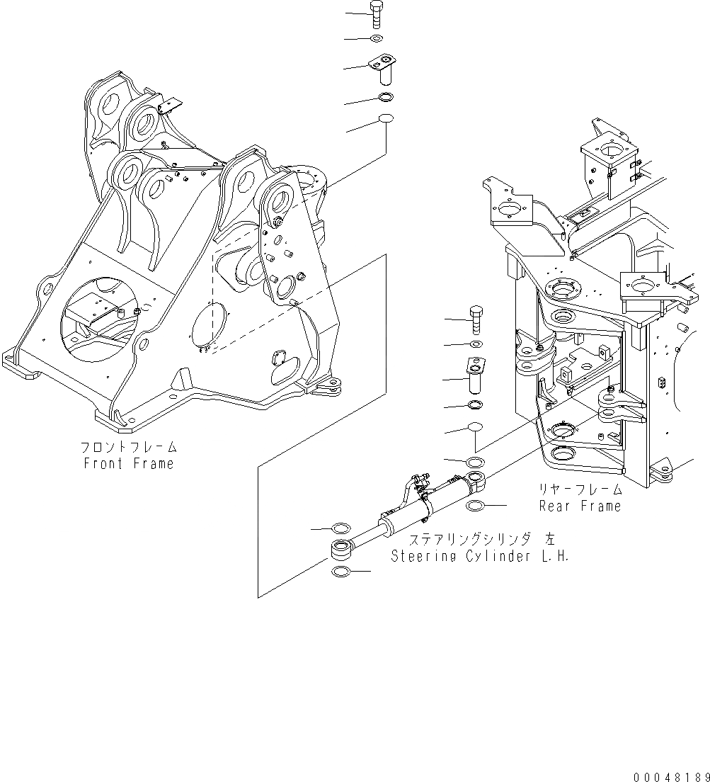
Запчасти Komatsu WA500-6 ЦИЛИНДР РУЛЕВ. УПР-Я (ЭЛЕМЕНТЫ КРЕПЛЕНИЯ) J РАМА И ITS КОМПОНЕНТЫ

Схема запчастей Komatsu WA500-6 - ЦИЛИНДР РУЛЕВ. УПР-Я (ЭЛЕМЕНТЫ КРЕПЛЕНИЯ) J РАМА И ITS КОМПОНЕНТЫ
5
6
1
4
3
7
7
7
7
3
4
2
6
5
FIT
1:1
100%

Артикул

Название

Примечание

Количество

1

425-46-32311

PIN

SN: H60051-UP

2шт.

2

425-46-32311

PIN

SN: H60051-UP

2шт.

3

425-46-32330

O-RING

SN: H60051-UP

4шт.

4

425-46-32340

PLATE

SN: H60051-UP

4шт.

5

01010-81625

BOLT

SN: H60051-UP

4шт.

6

421-70-11280

WASHER

SN: H60051-UP

4шт.

7

418-70-11310

SHIM, T=1.0MM

SN: H60051-UP

-26шт.

|$8

417-70-11370

SHIM, T=0.5MM

SN: H60051-UP

-26шт.

Выбрано товаров: 8