Запчасти Komatsu WA500-6 КАБИНА ROPS (ЭЛЕКТРИЧ. ЧАСТИ) (SN H9-) K OPERATORґS ОБСТАНОВКА И СИСТЕМА УПРАВЛЕНИЯ

Схема запчастей Komatsu WA500-6 - КАБИНА ROPS (ЭЛЕКТРИЧ. ЧАСТИ) (SN H9-) K OPERATORґS ОБСТАНОВКА И СИСТЕМА УПРАВЛЕНИЯ
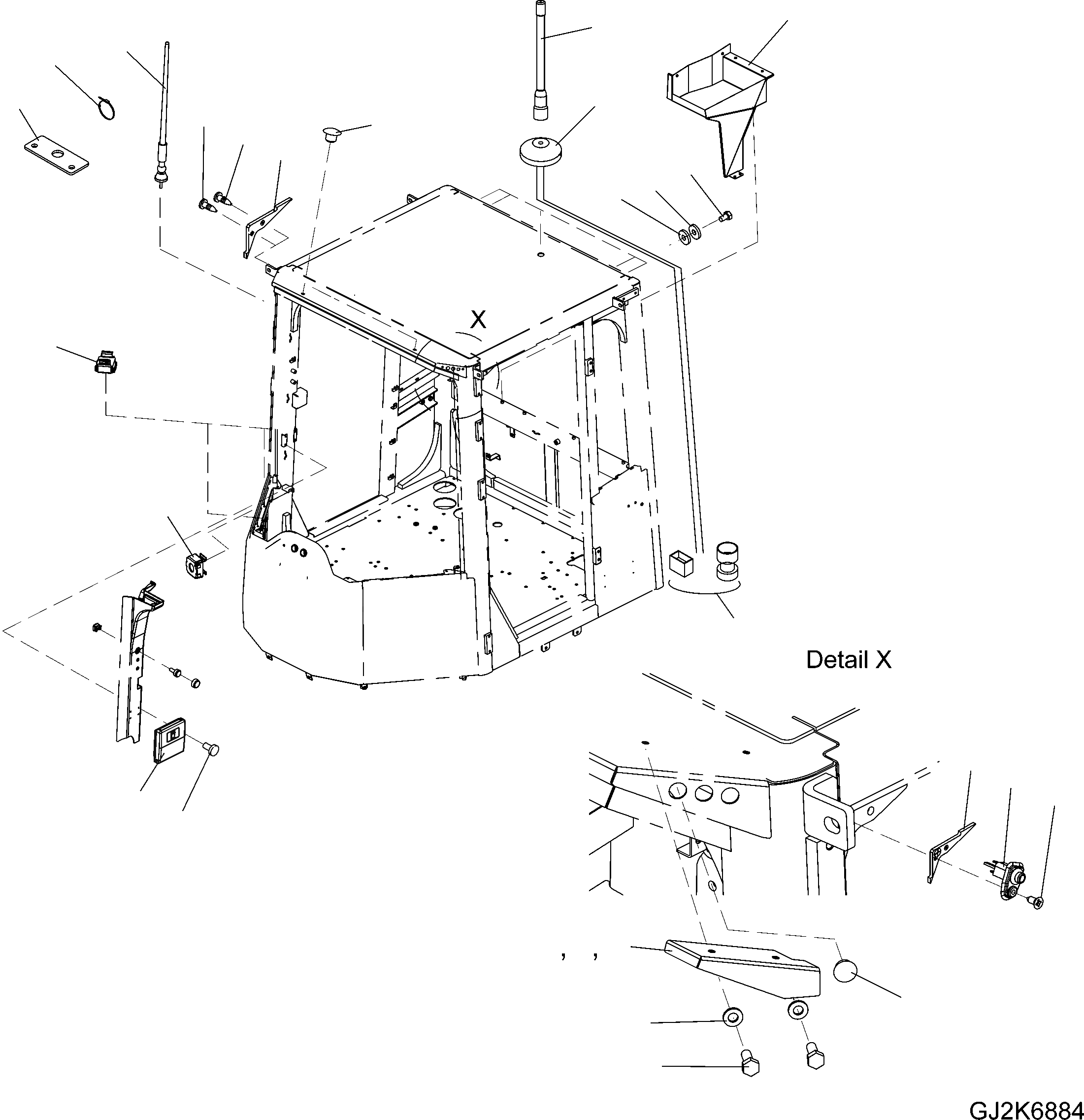
22
23
21
19
18
17
11
13
12
7
9
8
26
14
16
15
20
10
5
6
4
3
2
25
24
1
1
FIT
1:1
100%

Артикул

Название

Примечание

Количество

|$1

425-56-H1G05

ROPS CAB ASSEMBLY

SN: H60435-UP

1шт.

|$2

0

ROPS CAB ASSEMBLY

SN: H60369-H60434

1шт.

|$3

0

CAB ASSEMBLY

SN: H60435-UP

1шт.

|$4

0

CAB ASSEMBLY

SN: H60369-H60434

1шт.

1

423-56-H0R10

NUT

SN: H60369-UP

12шт.

2

423-56-H3710

COVER, LHS

SN: H60369-UP

1шт.

3

423-56-H3720

COVER, RHS

SN: H60369-UP

1шт.

4

423-56-H0R01

SEAL SECTION, 0.17M

SN: H60369-UP

1шт.

5

425-56-H0P44

SCREW

SN: H60369-UP

4шт.

6

421-56-H0P87

WASHER

SN: H60369-UP

4шт.

7

423-56-H0P55

GROMMET

SN: H60369-UP

4шт.

8

01010-81016

BOLT

SN: H60369-UP

4шт.

9

421-06-H3260

WASHER

SN: H60369-UP

4шт.

10

419-56-H0R01

PLUG

SN: H60369-UP

3шт.

11

423-56-H0R02

PLUG

SN: H60369-UP

2шт.

12

42W-06-35200

ANTENNA BASE

SN: H60369-UP

1шт.

13

42W-06-35210

ANTENNA

SN: H60369-UP

1шт.

14

42W-06-35240

ANTENNA ADAPTER

SN: H60369-UP

1шт.

15

421-56-H0S30

SWITCH, DOOR

SN: H60369-UP

1шт.

16

423-54-H5270

COVER, LHS

SN: H60369-UP

1шт.

17

419-56-H3160

COVER, RHS

SN: H60369-UP

1шт.

18

421-56-H0P49

PLUG

SN: H60369-UP

2шт.

19

42U-56-21A30

PLUG

SN: H60369-UP

1шт.

20

421-56-H0R64

SCREW

SN: H60369-UP

1шт.

21

421-07-H0P09

ANTENNA

SN: H60369-UP

1шт.

22

423-54-H5290

PLATE

SN: H60369-UP

1шт.

23

41K-56-H0P04

BAND

SN: H60369-UP

1шт.

24

42Y-56-H0R01

BRACKET

SN: H60369-UP

1шт.

25

01220-40510

SCREW

SN: H60369-UP

4шт.

26

423-56-H3400

BOX ASSEMBLY, REAR

SN: H60369-UP

1шт.

Выбрано товаров: 30